Skip to main content
Renesas Electronics Corporation

Features

  • LP-HCSL outputs; save 12 resistors compared to standard PCIe devices
  • 45 mW typical power consumption; reduced thermal concerns
  • Outputs can optionally be supplied from any voltage between 1.05 and 1.5 V; maximum power savings
  • OE# pins; support DIF power management
  • Programmable slew rate for each output; allows tuning for various line lengths
  • Programmable output amplitude; allows tuning for various application environments
  • DIF outputs blocked until PLL is locked; clean system start-up
  • Selectable 0%, -0.25% or -0.5% spread on DIF outputs; reduces EMI
  • External 25 MHz crystal; supports tight ppm with 0 ppm synthesis error
  • Configuration can be accomplished with strapping pins; SMBus interface not required for device control
  • 3.3 V tolerant SMBus interface works with legacy controllers
  • Space saving 5x5mm 40-pin VFQFPN; minimal board space
  • Selectable SMBus addresses; multiple devices can easily share an SMBus segment
     

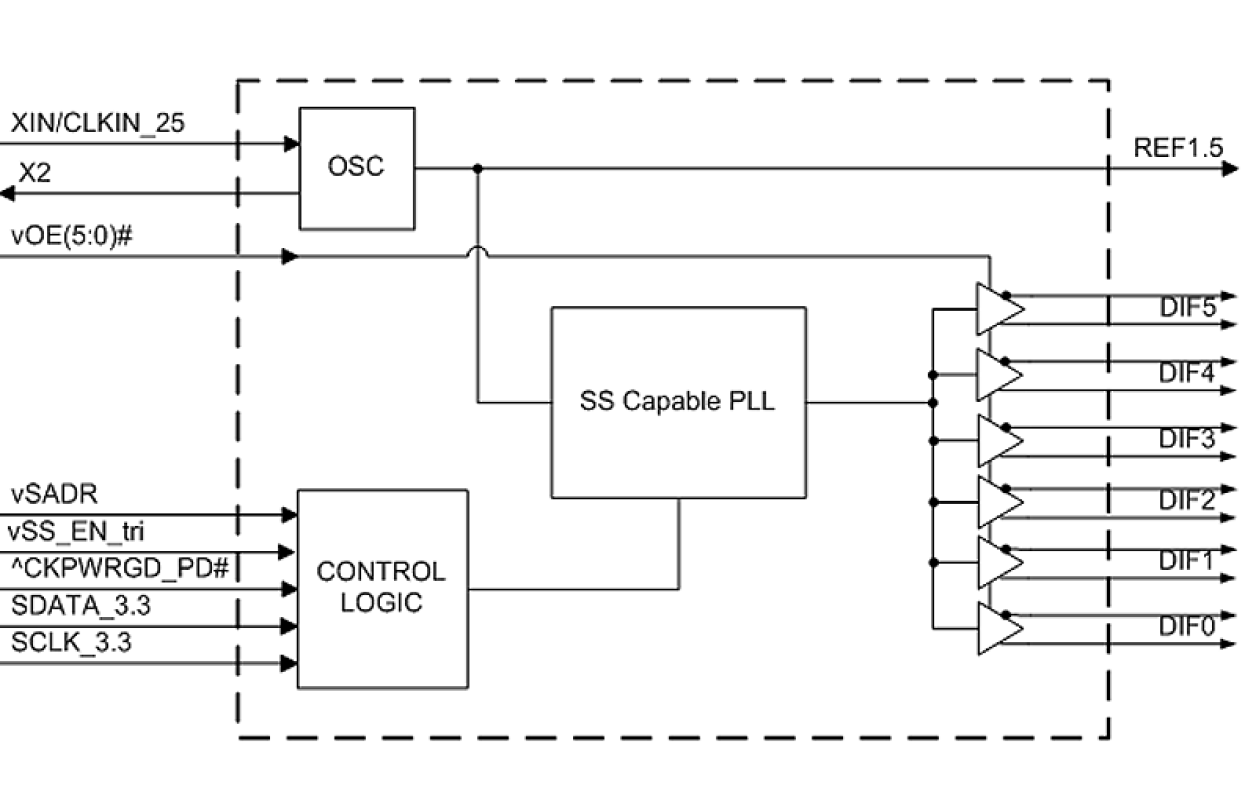
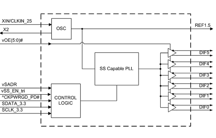
Description

The 9FGU0631 is a member of IDT's 1.5 V Ultra-Low-Power PCIe clock family. The device has 6 output enables for clock management, 2 different spread spectrum levels in addition to spread off, and 2 selectable SMBus addresses.

Applied Filters: