Skip to main content

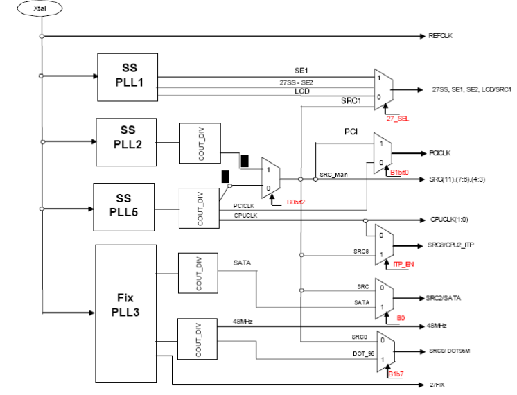
Features

  • Fully integrated Vreg
  • Differential outputs have integrated series resistors to give ZO = 50 Ohms
  • Supports spread spectrum modulation, 0 to-0.5% down spread
  • Supports CPU clks up to 400MHz
  • Uses external 14.318MHz crystal, external crystal load caps are required for frequency tuning
  • 2 - CPU differential push-pull pairs
  • 4 - SRC differential push-pull pairs
  • 1 - CPU/SRC selectable differential push-pull pair
  • 1 - DOT96/SRC selectable differential push-pull pair
  • 1 - 27M/SRC/SE selectable pair
  • 1 - SRC/SATA selectable differential push-pull pair
  • 5 - PCI, 33MHz
  • 1 - PCI_F 33MHz free running
  • 1 - USB, 48MHz
  • 1 - REF, 14.31818MHz

Description

 

Recommended Application: Industrial temperature CK505-compatible clock
 
Key Specifications:
• CPU outputs cycle-cycle jitter < 85ps
• SRC output cycle-cycle jitter < 125ps
• PCI outputs cycle-cycle jitter < 250ps
• +/- 100ppm frequency accuracy on all outputs

Applied Filters: