Skip to main content
Renesas Electronics Corporation

Features

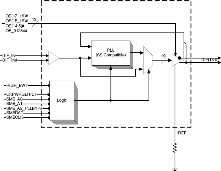
  • 19 - 0.7 V current mode differential HCSL output pairs
  • 8 Selectable SMBus Addresses/Multiple devices can share the same SMBus Segment
  • 11 dedicated and 3 group OE# pins/Hardware control of the outputs
  • PLL or bypass mode/PLL can dejitter incoming clock
  • Selectable PLL bandwidth/minimizes jitter peaking in downstream PLL's
  • Spread spectrum compatible, tracks spreading input clock for low EMI
  • SMBus Interface, unused outputs can be disabled
  • Supports undriven differential outputs in Power Down mode for power management
  • Cycle-to-cycle jitter <50 ps
  • Output-to-output skew < 150 ps
  • PCIe Gen3 phase jitter < 1.0 ps RMS

Description

The 9DB1933 zero-delay buffer supports PCIe Gen3 requirements, while being backwards compatible to PCIe Gen2 and Gen1. The 9DB1933 is driven by a differential SRC output pair from an IDT 932S421, 932SQ420, or equivalent, main clock generator. It attenuates jitter on the input clock and has a selectable PLL bandwidth to maximize performance in systems with or without Spread-Spectrum clocking.

Applied Filters: