Skip to main content
Renesas Electronics Corporation

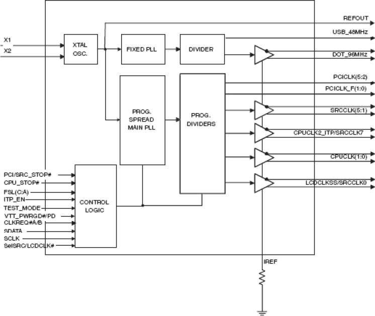
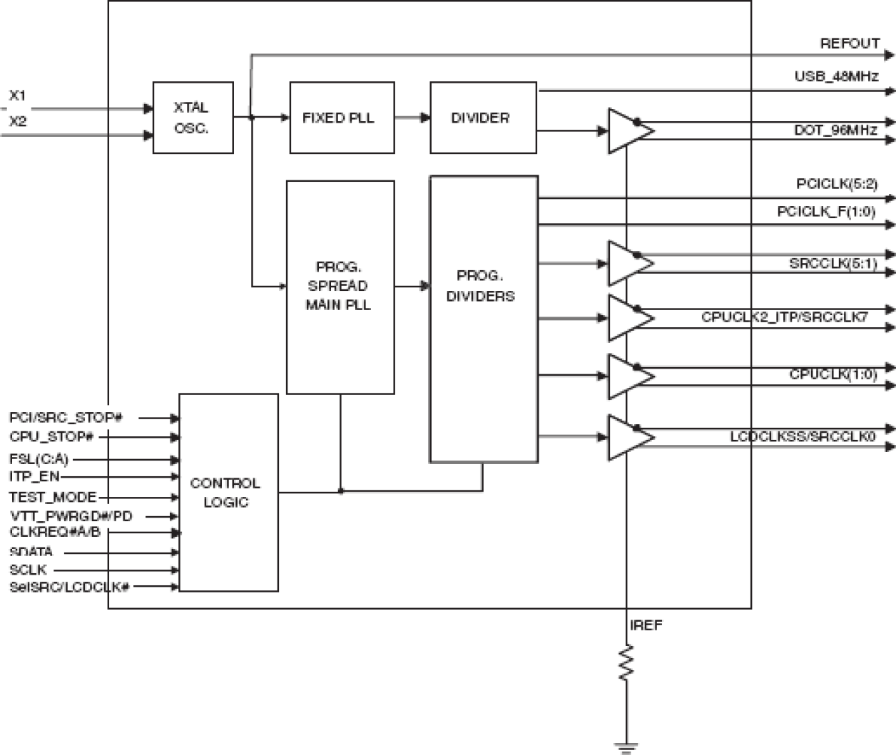
Features

  • 2 - 0.7V current-mode differential CPU pairs
  • 5 - 0.7V current-mode differential SRC pair for SATA and PCI-E
  • 1 - 0.7V current-mode differential CPU/SRC selectable pair
  • 4 - PCI (33MHz)
  • 2 - PCICLK_F, (33MHz) free-running
  • 1 - USB, 48MHz
  • 1 - DOT, 96MHz, 0.7V current differential pair
  • 1 - REF, 14.318MHz
  • 1 - 0.7V current-mode differential LCD/SRC selectable pair.
  • CPU outputs cycle-cycle jitter < 85ps
  • SRC outputs cycle-cycle jitter < 125ps
  • PCI outputs cycle-cycle jitter < 500ps
  • +/- 300ppm frequency accuracy on CPU & SRC clocks
  • +/- 100ppm frequency accuracy on USB clocks
  • Supports tight ppm accuracy clocks for Serial-ATA and SRC
  • Supports programmable spread percentage and frequency
  • Uses external 14.318MHz crystal, external crystal load caps are required for frequency tuning
  • Supports undriven differential CPU, SRC pair in PD# for power management.
  • CLKREQ pins to support SRC power management.

Description

954204 is a CK410M Compliant clock synthesizer. 954204 provides a single-chip solution for mobile systems built with Intel P4-M processors and Intel mobile chipsets. 954204 is driven with a 14.318MHz crystal and generates CPU outputs up to 400MHz. It provides the tight ppm accuracy required by Serial ATA and PCI-Express.

Applied Filters: