Skip to main content
Renesas Electronics Corporation

Features

  • Fourth-generation FemtoClock NG technology
  • Four 100MHz, 125MHz, 156.25MHz, and 312.5MHz clocks for Gigabit Ethernet, 10 Gigabit Ethernet, SGMII, and PCI Express applications, HCSL interface levels
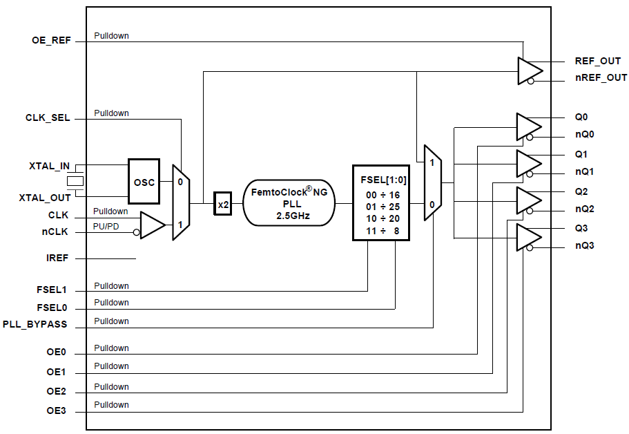
  • Selectable external crystal or differential input source
  • Crystal oscillator interface designed for 25MHz parallel resonant crystal
  • Differential CLK, nCLK input pair accepts LVPECL, LVDS, LVHSTL, HCSL input levels
  • Internal resistor bias on nCLK pin allows the user to drive CLK input with external single-ended (LVCMOS/LVTTL) input levels
  • PCI Express Gen 1, Gen 2, and Gen 3 compliant
  • RMS phase jitter 156.25MHz (12kHz to 20MHz): 0.217ps
  • Full 3.3V supply voltage
  • -40 °C to 85 °C ambient operating temperature

Description

The 8V41N004I is a clock generator designed for Gigabit Ethernet, 10 Gigabit Ethernet, SGMII, and PCI Express applications. The device generates a selectable 100MHz, 125MHz, 156.25MHz, or 312.5MHz clock signal from a 25MHz input. The 8V41N004I uses Renesas' fourth generation FemtoClock® NG technology to provide low phase noise performance, combined with excellent power supply noise rejection for optimal performance in the targeted applications. The device supports a 3.3V supply voltage and is packaged in a compact, lead-free (RoHS 6) 32-lead VFQFN package. The industrial temperature range supports high-end computing, telecommunication, and networking end equipment requirements.

Applied Filters: