Skip to main content
Renesas Electronics Corporation

Features

  • Ten differential outputs
  • Input operates in full differential mode (LVPECL or LVDS) or single-ended LVCMOS mode
  • Supports output power down for power-sensitive applications
  • Output frequency of 156.25MHz, 312.5MHz, 625MHz, or 1250MHz
  • Sub-100fs RMS phase noise at 156.25MHz (typical, 12kHz to 20MHz)
  • LVCMOS/LVTTL compatible I²C interface
  • Full 3.3V supply voltage
  • -40 °C to +85 °C ambient operating temperature

Description

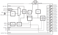
The 8T49NS010 is a clock synthesizer and fanout buffer/divider. When used with an external crystal, the 8T49NS010 generates high-performance timing geared towards the communications and datacom markets, especially for applications demanding extremely low phase noise jitter, such as 10, 40, and 100GE.

The 8T49NS010 provides versatile frequency configurations and output formats and is optimized to deliver excellent phase noise performance. The device delivers an optimum combination of high clock frequency and low phase noise performance, combined with high power supply noise rejection.

Applied Filters: