Features
- Four differential LVDS outputs
- IN, nIN input pair can accept the following differential input levels: LVPECL, LVDS, CML
- Output frequency: 2GHz
- Cycle-to-cycle jitter, RMS: 3.5ps (maximum)
- Additive phase jitter, RMS: 0.03ps (typical)
- Output skew: 30ps (maximum)
- Part-to-part skew: 200ps (maximum)
- Propagation Delay: 600ps (maximum)
- Full 3.3V supply mode
- -40°C to 85°C ambient operating temperature
- Available in lead-free (RoHS 6) package
Description
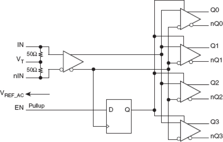
The 8S89833I is a high speed 1-to-4 Differential-to-LVDS Fanout Buffer with Internal Termination. The 8S89833I is optimized for high speed and very low output skew, making it suitable for use in demanding applications such as SONET, 1 Gigabit and 10 Gigabit Ethernet, and Fibre Channel. The internally terminated differential input and VREF_AC pin allow other differential signal families such as LVPECL, LVDS, and CML to be easily interfaced to the input with minimal use of external components. The device also has an output enable pin which may be useful for system test and debug purposes. The 8S89833I is packaged in a small 3mm x 3mm 16-pin VFQFN package which makes it ideal for use in space-constrained applications.
Parameters
Attributes | Value |
---|---|
Function | Buffer |
Outputs (#) | 4 |
Output Type | LVDS |
Output Freq Range (MHz) | 0 - 2000 |
Input Type | CML, LVDS, LVPECL |
Output Banks (#) | 1 |
Output Voltage (V) | 3.3 |
Output Skew (ps) | 30 |
Additive Phase Jitter Typ RMS (fs) | 30 |
Package Options
Pkg. Type | Pkg. Dimensions (mm) | Lead Count (#) | Pitch (mm) |
---|---|---|---|
VFQFPN | 3.0 x 3.0 x 1.0 | 16 | 0.5 |
Applied Filters:
Loading