Skip to main content

Features

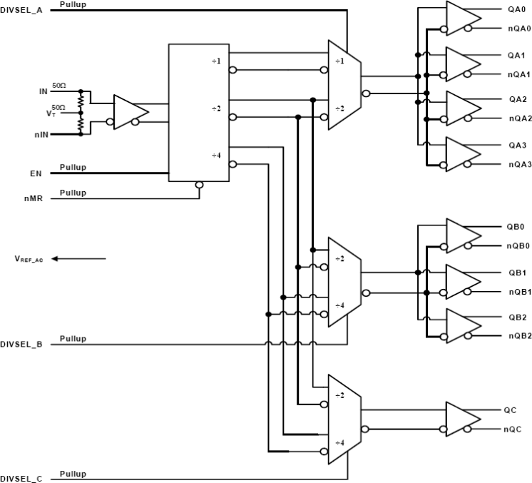
  • Three output banks, consisting of eight LVPECL output pairs total
  • INx, nINx inputs can accept the following differential input levels: LVPECL, LVDS, CML
  • Selectable output divider values of ÷1, ÷2 and ÷4
  • Maximum output frequency: 1.5GHz
  • Maximum input frequency: 3GHz
  • Output skew: 6ps (typical), outputs at same frequency
  • Part-to-part skew: 200ps (typical)
  • Additive phase jitter, RMS: 0.16ps (typical)
  • Propagation delay: 900ps (typical)
  • Full 2.5V±5% and 3.3V±10% operating supply voltage
  • -40°C to 85°C ambient operating temperature
  • Available in lead-free (RoHS 6) package

Description

The 8S89202I is a high speed 1-to-8 Differential-to-LVPECL Clock Divider and is part of the high performance clock solutions from IDT. The 8S89202I is optimized for high speed and very low output skew, making it suitable for use in demanding applications such as SONET, 1 Gigabit and 10 Gigabit Ethernet, and Fibre Channel. The internally terminated differential inputs and VREF_AC pins allow other differential signal families such as LVPECL, LVDS and CML to be easily interfaced to the input with minimal use of external components. The device also has a selectable ÷1, ÷2, ÷4 output divider, which can allow the part to support multiple output frequencies from the same reference clock. The 8S89202I is packaged in a small 5mm x 5mm 32-pin VFQFN package which makes it ideal for use in space-constrained applications.

Applied Filters: