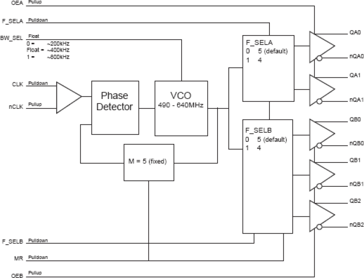
Features
- Five differential LVDS output pairs
- One differential clock input
- CLK and nCLK supports the following input types: LVPECL, LVDS, LVHSTL, SSTL, HCSL
- Output frequency range: 98MHz - 160MHz
- Input frequency range: 98MHz - 128MHz
- VCO range: 490MHz - 640MHz
- Cycle-to-cycle jitter: 30ps (maximum)
- 3.3V operating supply
- 3 bandwidth modes allow the system designer to make jitter attenuation/tracking skew design trade-offs
- 0°C to 70°C ambient operating temperature
- Available in lead-free RoHS compliant package
Description
The 874005 is a high performance Differential-to-LVDS Jitter Attenuator designed for use in PCI Express® systems. In some PCI Express® systems, such as those found in desktop PCs, the PCI Express® clocks are generated from a low bandwidth, high phase noise PLL frequency synthesizer. In these systems, a jitter attenuator may be required to attenuate high frequency random and deterministic jitter components from the PLL synthesizer and from the system board. The 874005 has 3 PLL bandwidth modes: 200kHz, 400kHz, and 800kHz. The 200kHz mode will provide maximum jitter attenuation, but with higher PLL tracking skew and spread spectrum modulation from the motherboard synthesizer may be attenuated. The 400kHz provides an intermediate bandwidth that can easily track triangular spread profiles, while providing good jitter attenuation. The 800kHz bandwidth provides the best tracking skew and will pass most spread profiles, but the jitter attenuation will not be as good as the lower bandwidth modes. Because some 2.5Gb serdes have x20 multipliers while others have than x25 multipliers, the 874005 can be set for 1:1 mode or 5/4 multiplication mode (i.e. 100MHz input/125MHz output) using the F_SEL pins. The 874005 uses IDT's 3rd Generation FemtoClock® PLL technology to achieve the lowest possible phase noise. The device is packaged in a 24 Lead TSSOP package, making it ideal for use in space constrained applications such as PCI Express® add-in cards.
Applied Filters:
Filters
Software & Tools
Sample Code
Simulation Models
This is the first video in our PCIe series. In this video, we define PCIe architectures, focusing on common and separate clock architectures. Watch the rest of the video series below where Ron will cover the impact of different timing architectures.
In this episode, Ron Wade from IDT (acquired by Renesas) explains PCIe common clocking and its impact on timing solutions. Learn about using a single clock source, fan-out buffers, and the considerations for spread spectrum and non-spread spectrum clocking in PCIe systems.
In this video, we explore PCIe with separate reference clocks and the effects of clock selection. Learn how separate reference clocks work and their impact on system performance and stability.
This video provides a high-level overview of Separate Reference Clock with Independent Spread (SRIS) architectures for PCI Express systems, additional performance requirements that this clocking architecture imposes on the reference clocks, and some system implications encountered trying to implement the architecture.