Skip to main content

Features

  • Fourth generation FemtoClock™ Next Generation (NG) technology
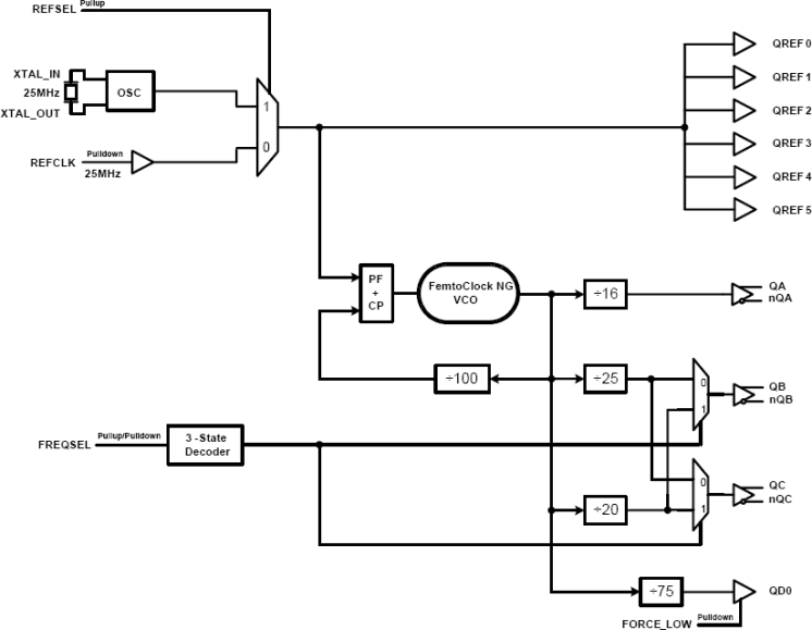
  • Seven single-ended LVCMOS outputs, 30? output impedance
  • Three LVPECL output pairs One differential LVPECL (QA, nQA) output pair: 156.25MHz Two selectable differential LVPECL output pairs (QB, nQB and QC, nQC): 100MHz and 125MHz
  • One single-ended LVCMOS (QD0) 33.33MHz CPU clock
  • Selectable external crystal or single-ended input source
  • Crystal oscillator interface designed for 25MHz, parallel resonant crystal
  • FemtoClock NG frequency multiplier provides low jitter, high frequency output
  • FemtoClock NG VCO frequency: 2.5GHz
  • RMS phase jitter @ 125MHz, using a 25MHz crystal (12kHz – 20MHz): 0.283ps (typical)
  • Power supply noise rejection PSNR: -80dB
  • 3.3V supply voltage
  • -40C to 85C ambient operating temperature
  • Available in lead-free (RoHS 6) packages

Description

The 843N571I is a PLL based clock synthesizer for use in Ethernet applications. The device uses Renesas' fourth generation FemtoClock™ NG technology for optimal high clock frequency and low phase noise performance, combined with a low power consumption and high power supply noise rejection. Using Renesas' latest FemtoClock NG PLL technology, the 843N571I achieves <0.3ps RMS phase jitter performance. 843N571I can synthesize 100MHz, 125MHz, 156.25MHz and a low frequency 33.33MHz CPU clock from a single device. Six LVCMOS outputs also serve as additional buffering of the 25MHz crystal reference.

Applied Filters: