Skip to main content
Renesas Electronics Corporation

Features

  • Four single-ended LVCMOS/LVTTL outputs 17Ω typical output impedance
  • Selectable crystal oscillator interface or single-ended input
  • Output frequency range: 56MHz - 175MHz
  • VCO range: 560MHz - 700MHz
  • RMS phase jitter at 156.25MHz (1.875MHz – 20MHz): 0.52ps (typical)
    Phase Noise:
    Offset ...........Noise Power
    100Hz ..........-94.9 dBc/Hz
    1kHz ............-119.6 dBc/Hz
    10kHz ..........-128.9 dBc/Hz
    100kHz ........-129.2 dBc/Hz
  • Full 3.3V or mixed 3.3V core/2.5V output supply modes
  • 0°C to 70°C ambient operating temperature
  • Available in lead-free (RoHS 6) package

Description

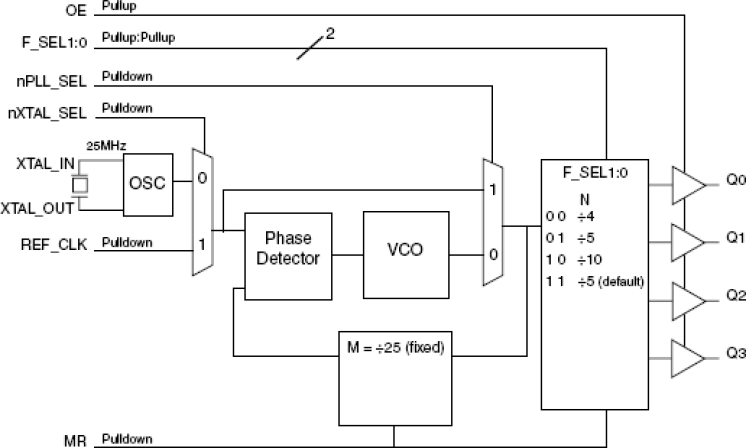
The 840004-01 is a 4 output LVCMOS/LVTTL synthesizer optimized to generate Ethernet reference clock frequencies. Using a 25MHz, 18pF parallel resonant crystal, the following frequencies can be generated based on the 2 frequency select pins (F_SEL1:0): 156.25MHz, 125MHz, and 62.5MHz. The 840004-01 uses our 3rd generation low phase noise VCO technology and can achieve 1ps or lower typical random rms phase jitter, easily meeting Ethernet jitter requirements. The 840004-01 is packaged in a small 20-pin TSSOP package.

Applied Filters: