Skip to main content

Features

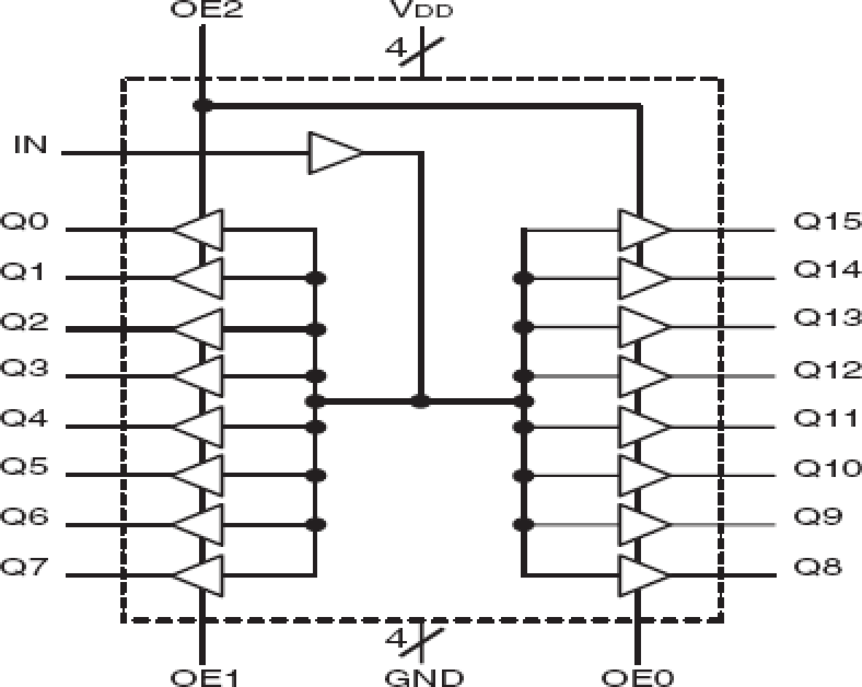
  • Sixteen LVCMOS / LVTTL outputs, 15Ω output impedance
  • One LVCMOS / LVTTL clock input
  • Maximum output frequency: 200MHz
  • All inputs are 5V tolerant
  • Output skew: 250ps (maximum)
  • Part-to-part skew: 800ps (maximum)
  • Additive phase jitter, RMS: 0.09ps (typical)
  • Full 3.3V operating supply
  • 0°C to 70°C ambient operating temperature
  • Available in lead-free (RoHS 6) package

Description

The 83115 is a low skew, 1-to-16 LVCMOS/ LVTTL Fanout Buffer. The 83115 single-ended clock input accepts LVCMOS or LVTTL input levels. The 83115 operates at full 3.3V supply mode over the commercial temperature range. Guaranteed output and part-to-part skew characteristics make the 83115 ideal for those clock distribution applications demanding well defined performance and repeatability.

Applied Filters: