Skip to main content
Renesas Electronics Corporation

Features

  • Free-running CLKA and CLKB can be asynchronous or coincident
  • Clocked FIFO buffering data from Port A to Port B
  • Synchronous read retransmit capability
  • Mailbox register in each direction
  • Programmable Almost-Full and Almost-Empty flags
  • Microprocessor interface control logic
  • Input Ready (IR) and Almost-Full (AF) flags synchronized by CLKA
  • Output Ready (OR) and Almost-Empty (AE) flags synchronized by CLKB
  • Available in 132-pin PQFP and 120-pin TQFP packages
  • Easily expandable in width and depth
  • Industrial temperature range (–40C to +85C) is available

Description

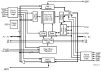
The 72V3631is a 512 x 36 Sync FIFO memory that is a 3.3V version of the 723631. It supports clock frequencies up to 67 MHz and has read access times as fast as 10ns. The FIFO memory has retransmit capability, which allows previously read data to be accessed again. The FIFO operates in First Word Fall Through mode. Communication between each port may take place with two 36-bit mailbox registers. The enables for each port are arranged to provide a simple interface between microprocessors and/or buses with synchronous control.

Applied Filters: