Skip to main content
Renesas Electronics Corporation

Features

  • True Dual-Ported memory cells which allow simultaneous access of the same memory location
  • Flow-through or Pipelined output mode on either port via the FT/PIPE pin
  • Counter enable and reset features
  • Dual chip enables allow for depth expansion without additional logic
  • Full synchronous operation on both ports
  • Separate upper-byte and lower-byte controls for multiplexed bus and bus matching compatibility
  • LVTTL- compatible, single 3.3V (±0.3V) power supply
  • Available in 100-pin TQFP package
  • Industrial temperature range (–40C to +85C) is available

Description

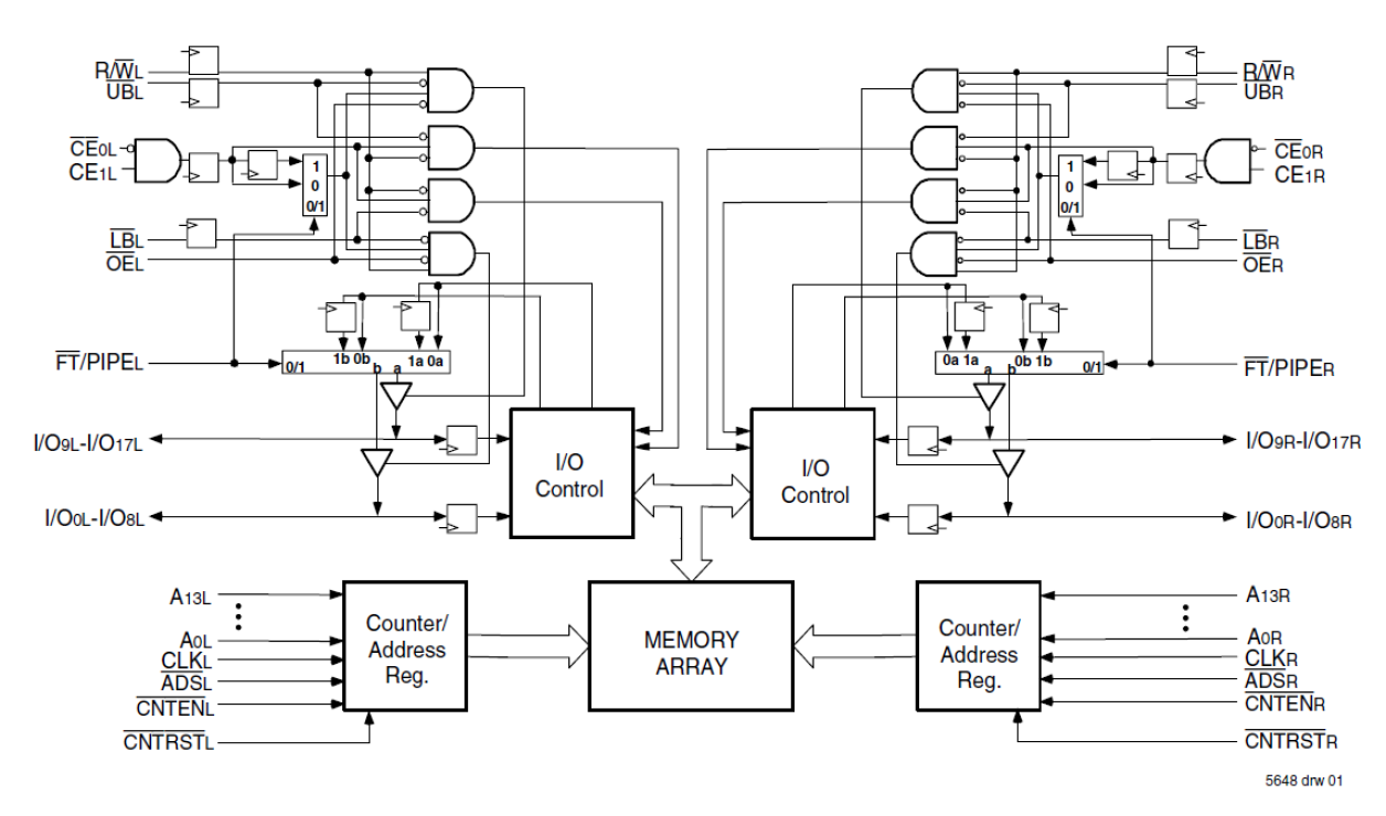
The 70V9369 is a high-speed 16K x 18-bit synchronous Dual-Port RAM that has been optimized for applications having unidirectional or bidirectional data flow in bursts. An automatic power down feature, controlled by CE0 and CE1, permits the on-chip circuitry of each port to enter a very low standby power mode.

Applied Filters: