Skip to main content

Features

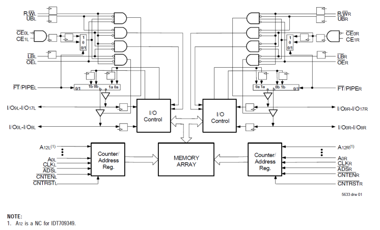
  • Dual-Port allows simultaneous access of the same memory location
  • Flow-Through or Pipelined output mode on either port via the FT/PIPE pin
  • Counter enable and reset features
  • Dual chip enables allow for depth expansion without additional logic
  • Full synchronous operation on both ports
  • Separate upper-byte and lower-byte controls for multiplexed bus and bus matching compatibility
  • TTL- compatible, single 5V (±10%) power supply
  • Available in a 100-pin TQFP and fpBGA packages
  • Industrial temperature range (–40C to +85C) is available

Description

The 709349 is a high-speed 4K x 18 bit synchronous Dual-Port RAM that has been optimized for applications having unidirectional or bidirectional data flow in bursts. An automatic power down feature, controlled by CE0 and CE1, permits the on-chip circuitry of each port to enter a very low standby power mode.

Applied Filters: