Warning message
Please log in or register to access this secure document.
Features
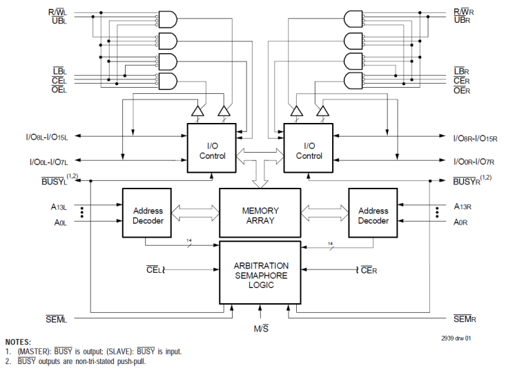
- True Dual-Ported memory cells which allow simultaneous access of the same memory location
- Separate upper-byte and lower-byte control for multiplexed bus compatibility
- 7026 easily expands data bus width to 32 bits or more
- On-chip port arbitration logic
- Full on-chip hardware support of semaphore signaling between ports
- Fully asynchronous operation from either port
- TTL-compatible, single 5V (±10%) power supply
- Available in 84-pin PGA and PLCC packages
- Industrial temperature range (-40C to +85C) is available
Description
The 7026 is a high-speed 16K x 16 Dual-Port Static RAM designed to be used as a stand-alone Dual-Port RAM or as a combination MASTER/SLAVE Dual-Port RAM for 32-bit-or-more word systems. An automatic power down feature controlled by CE permits the on-chip circuitry of each port to enter a very low standby power mode. Military grade product in compliance with MIL-PRF-38535 QML is available.
Parameters
| Attributes | Value |
|---|---|
| Core Voltage (V) | 5 |
| Bus Width (bits) | 16 |
| Density (Kb) | 256 |
| Pkg. Code | GU84 |
| Interface | Async |
| I/O Type | 5.0 V TTL |
| Access Time (ns) | 25, 35 |
| Temp. Range (°C) | 0 to 70°C |
| Architecture | Dual-Port |
| Organization | 16K x 16 |
| Function | Busy, Interrupt, Master, Semaphore, Slave |
Package Options
| Pkg. Type | Pkg. Dimensions (mm) | Lead Count (#) | Pitch (mm) |
|---|---|---|---|
| PGA | 27.94 x 27.94 x 3.68 | 84 | 2.54 |
Applied Filters: