Skip to main content
NOTICE - The following device(s) are recommended alternatives:

Features

  • Guaranteed Low Skew < 25ps (max)
  • Very low duty cycle distortion
  • High speed propagation delay < 2.5ns. (max)
  • Up to 250MHz operation
  • Very low CMOS power levels
  • 1.5V VDDQ for HSTL interface
  • Hot insertable and over-voltage tolerant inputs
  • 3-level inputs for selectable interface
  • Selectable HSTL, eHSTL, 1.8V / 2.5V LVTTL, or LVEPECL input interface
  • Selectable differential or single-ended inputs and five single-ended outputs
  • 2.5V VDD
  • Available in TSSOP package

Description

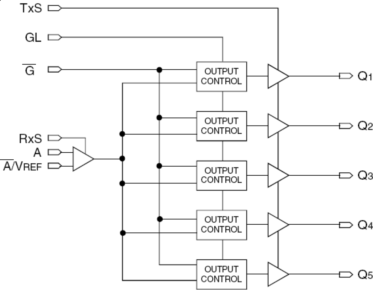
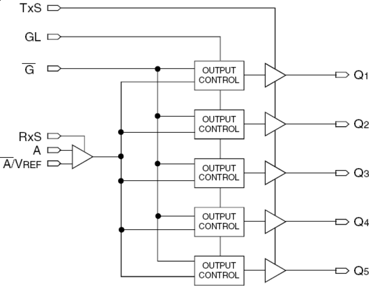
The 5T90533I 2.5V single data rate (SDR) clock buffer is a user-selectable single-ended or differential input to five single-ended outputs buffer built on advanced metal CMOS technology. The SDR clock buffer fanout from a single or differential input to five single-ended outputs reduces the loading on the preceding driver and provides an efficient clock distribution network. The 5T90533I can act as a translator from a differential HSTL, eHSTL, 1.8V/2.5V LVTTL, LVEPECL, or single-ended 1.8V/2.5V LVTTL input to HSTL, eHSTL, 1.8V/2.5V LVTTL outputs. Selectable interface is controlled by 3-level input signals that may be hard-wired to appropriate high-mid-low levels. Multiple power and grounds reduce noise.

Applied Filters: