Skip to main content

Features

  • Std., A, and C speeds
  • Low input and output leakage <1 uA (max.)
  • CMOS power levels
  • True TTL input and output compatibility:– VOH = 3.3V (typ.)
  • – VOL = 0.3V (typ.)
  • High Drive outputs (-15mA IOH, 48mA IOL)
  • Meets or exceeds JEDEC standard 18 specifications
  • Military product compliant to MIL-STD-883, Class B and DESC listed (dual marked)
  • Power off disable outputs permit "live insertion"
  • Available in 20 pin CERDIP and LCC packages

Description

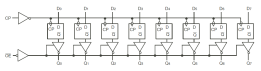
The 54FCT374T is an 8-bit register that consists of eight D-type flip-flops with a buffered common clock and buffered 3-state output control. When the output enable (OE) input is low, the eight outputs are enabled. When the OE input is high, the outputs are in the high-impedance state. The 54FCT374T operates at -55C to +125C. (For commercial version, see 74FCT374T)

Applied Filters: