Skip to main content
Renesas Electronics Corporation

Features

  • Clock outputs from 10 to 133 MHz
  • Zero input-output delay
  • Nine low skew (<250 ps) outputs
  • Device-to-device skew <700 ps
  • Full CMOS outputs with 12 mA output drive capability at TTL levels
  • 5 V tolerant CLKIN
  • Tri-state mode for board-level testing
  • Advanced, low power, sub-micron CMOS process
  • Operating voltage of 3.3 V
  • Industrial temperature range available
  • Packaged in 16-pin SOIC and TSSOP (-1H version only)
  • RoHS 5 (green) or RoHS 6 (green and lead free) complaint packaging

Description

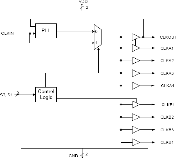
The 2309 is a low phase noise, high-speed PLL based, low-skew zero delay buffer. Based on ICS' proprietary low jitter Phase Locked Loop (PLL) techniques, the device provides nine low skew outputs at speeds up to 133 MHz at 3.3 V. The outputs can be generated from the PLL (for zero delay), or directly from the input (for testing), and can be set to tri-state mode or to stop at a low level. The PLL feedback is on-chip and is obtained from the CLKOUT pad. The 2309 is available in two different versions. The 2309-1 is the base part. The 2309-1H is a high drive version with faster rise and fall times.

Parameters

AttributesValue
Temp. Range (°C)-40 to 85°C, 0 to 70°C
Product CategoryZero Delay Buffers

Package Options

Pkg. TypePkg. Dimensions (mm)Lead Count (#)Pitch (mm)
SOIC9.9 x 3.9 x 1.5161.27
TSSOP5.0 x 4.4 x 1.0160.65

Applied Filters: