Applied Filters:
Evaluation Boards & Kits
RZ/V2H Quad-core Vision AI MPU Evaluation Kit
The RZ/V2H AI MPU evaluation kit (RTK0EF0168C04000BJ) is used to evaluate Renesas' RZ/V2H quad-core vision AI MPU. The kit includes a CPU board and an expansion (EXP) board. It supports RZ/V2H standard software packages and enables easy implementation of software development tasks such as low... Read More
Test This Board Remotely
RZ/V2N Quad-core Vision AI MPU Evaluation Kit
The RZ/V2N AI MPU Evaluation Kit V2.0 (RTK0EF0186C03001BJ) is used to evaluate our RZ/V2N quad-core vision AI MPU. The kit includes a CPU board and an expansion board (EXP board). V2.0 adds support for the DDR Suspend to RAM function, and the power supply circuit configuration has been changed... Read More
Demonstration Board & Kits
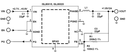
Compact Synchronous Buck Converter Demonstration Board with 2.7V to 5.5V Vin Range and 1.8V 1.5A Output
The ISL80015ADEMO1Z demonstration board is intended for use by individuals with requirements for point-of-load (POL) applications sourcing from 2.7V to 5.5V. The board is used to demonstrate the performance of the ISL80015 and ISL80015A low quiescent current mode converters.
These devices are... Read More


