Skip to main content

Features

  • A and C speeds
  • Low input and output leakage ?1 uA (max.)
  • CMOS power levels
  • True TTL input and output compatibility: – VOH = 3.3V (typ.) – VOL = 0.3V (typ.)
  • High Drive outputs (-15mA IOH, 64mA IOL)
  • Meets or exceeds JEDEC standard 18 specifications
  • Power off disable outputs permit "live insertion"
  • Available in 24 pin SOIC and QSOP packages

Description

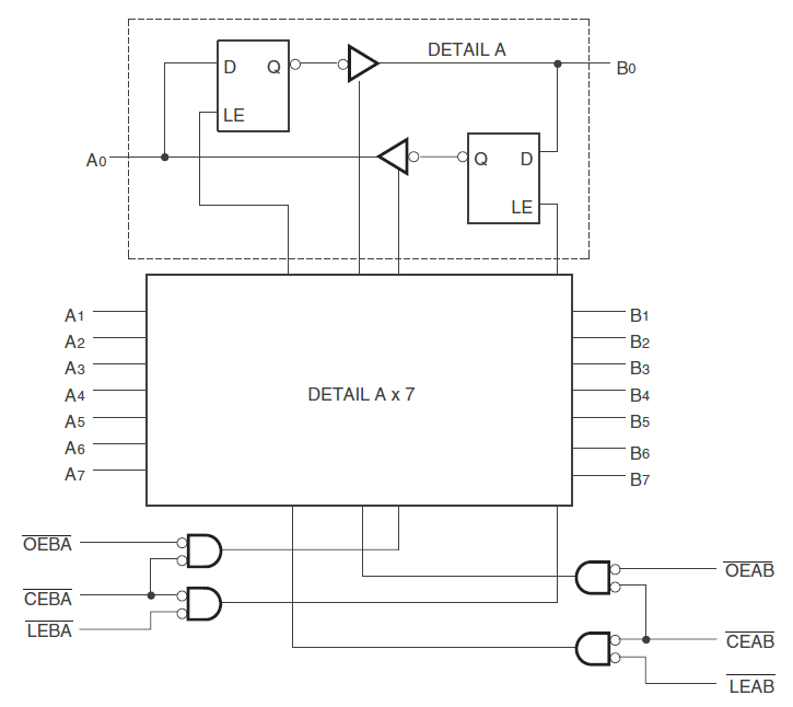
The 74FCT543T is a non-inverting octal transceiver that contains two sets of eight D-type latches with separate input and output controls for each set. The 74FCT543T operate at -40C to +85C

Applied Filters: