Skip to main content
Renesas Electronics Corporation

Features

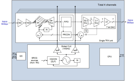
  • Quad 56Gb/s PAM4 VCSEL Driver integrated with a low latency CDR
  • Low power – typical 490mW per channel
  • Supports up to 11mA modulation current to VCSEL
  • Programmable 8-bit IMOD and IBIAS control
  • Adaptive linear equalizer and DFE
  • Support reference-less and reference clock modes
  • On-chip testability: eye opening monitor (EOM), jitter tolerance (JTOL), PRBS generator, error checker
  • Integrated temperature sensor 
  • Input and output polarity inversion
  • Programmable TX test pattern generation
  • TX Disable, programmable loss of signal (LOS) and output de-emphasis
  • I2C interface control 

Description

The HXT14450 is a quad-channel, low power, linear vertical-cavity surface-emitting laser (VCSEL) driver with an integrated clock and data recovery (CDR) unit. The chip is designed for MMF PMD Short-Reach applications that support 200G per port with a signaling rate up to 56Gbps PAM4 modulation.  In conjunction with the HXR14450 – a quad-channel transimpedance amplifier (TIA) receiver with an integrated CDR, one can produce compact quad small form factor QSFP-type modules to serve high speed optical interconnects in data center applications.

The HXT14450 has a built-in adaptive linear equalizer and a decision-feedback equalizer (DFE), which can work in chip-to-module and chip-to-chip interconnects. The chipsets provide on-chip testability such as PRBS generator and error checker. 
Designed for direct DC-coupled die with VCSEL or on-board optics (OBO) and with a small number of additional components for cost-effective and compact assemblies, this chipset enables lower power and compact modules for high density and high BW application in hyper-scale data center applications. 

Applied Filters: