メインコンテンツに移動
ルネサス エレクトロニクス株式会社 (Renesas Electronics Corporation)

特長

  • Ten LVCMOS/LVTTL outputs up to 200MHz
  • Differential input pair can accept the following differential input levels: LVPECL, LVDS, HCSL
  • Crystal oscillator interface
  • Crystal input frequency range: 8MHz to 50MHz
  • Output skew: 63ps (typical)
  • Additive RMS phase jitter: 22fs (typical)
  • Power supply modes:
    Core/Output
    3.3V/3.3V
    3.3V/2.5V
    3.3V/1.8V
    3.3V/1.5V
    2.5V/2.5V
    2.5V/1.8V
    2.5V/1.5V
  • -40 °C to 85 °C ambient operating temperature
  • Lead-free (RoHS 6) packaging

説明

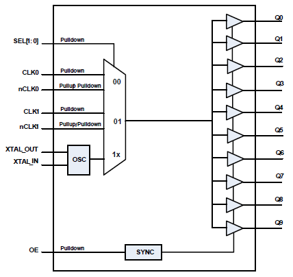
The 8L30110 is a low skew, 1-to-10 LVCMOS/LVTTL fanout buffer. The low impedance LVCMOS/LVTTL outputs are designed to drive 50Ω series or parallel terminated transmission lines.

The 8L30110 is characterized at full 3.3V and 2.5V, mixed 3.3V/2.5V, 3.3V/1.8V, 3.3V/1.5V, 2.5V/1.8V and 2.5V/1.5V output operating supply modes. The input clock is selected from two differential clock inputs or a crystal input. The differential input can be wired to accept a single-ended input. The internal oscillator circuit is automatically disabled if the crystal input is not selected.

パラメータ

属性
Temp. Range (°C)-40 to 85°C
Product CategoryClock Buffers & Drivers, Clock Multiplexers

パッケージオプション

Pkg. TypePkg. Dimensions (mm)Lead Count (#)Pitch (mm)
VFQFPN5.0 x 5.0 x 0.9320.5

適用されたフィルター