| CADモデル: | View CAD Model |
| Pkg. Type: | TSSOP |
| Pkg. Code: | MNO |
| Lead Count (#): | 16 |
| Pkg. Dimensions (mm): | 5.00 x 4.39 x 0.00 |
| Pitch (mm): | 0.65 |
| Moisture Sensitivity Level (MSL) | 1 |
| Pb (Lead) Free | Yes |
| ECCN (US) | EAR99 |
| HTS (US) | 8542.39.0090 |
| RoHS (RAA788000GSP#HA0) | ダウンロード |
| Pkg. Type | TSSOP |
| Lead Count (#) | 16 |
| Carrier Type | Reel |
| Moisture Sensitivity Level (MSL) | 1 |
| Pb (Lead) Free | Yes |
| Pb Free Category | Pb-Free 100% Matte Tin Plate w/Anneal-e3 |
| Country of Assembly | TAIWAN |
| Country of Wafer Fabrication | JAPAN |
| DDR Capable | No |
| Input Voltage (Max) (V) | 3.6 |
| Input Voltage (Max) [Rail 1] (V) | 3.6 - 3.6 |
| Input Voltage (Min) (V) | 2.7 |
| Input Voltage (Min) [Rail 1] (V) | 2.7 |
| Length (mm) | 5 |
| Linear Output | Yes |
| MOQ | 2500 |
| Output Current (Max) [Rail 1] (A) | 0.3 |
| Output Current 1 (Max) (A) | 0.3 |
| Output Voltage (Max) (V) | 3.6 |
| Output Voltage (Min) (V) | 0.01 |
| Output Voltage 1 (Max) (V) | 3.6 |
| Outputs (#) | 1 |
| Outputs (Max) (#) | 1 |
| Parametric Category | Boost Controllers (External FETs) |
| Pitch (mm) | 0.7 |
| Pkg. Dimensions (mm) | 5.0 x 4.4 x 0.00 |
| Price (USD) | $3.21 |
| Qualification Level | Standard |
| Switching Frequency Range (Typical) (kHz) | 50 - 60 |
| Temp. Range (°C) | -40 to +125°C |
| Topology [Rail 1] | Buck |
| Width (mm) | 4.4 |
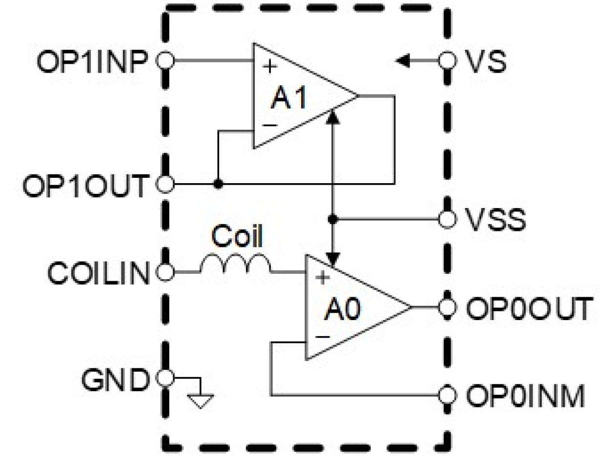
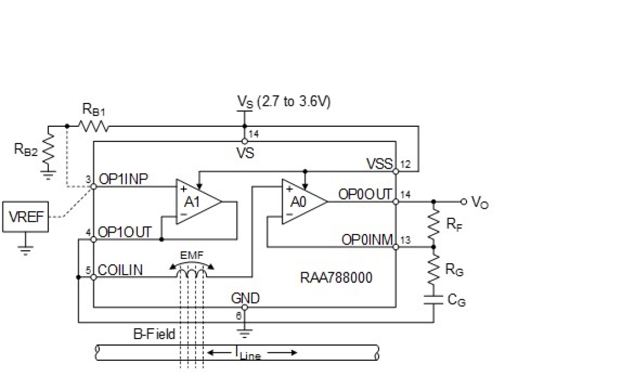
The RAA788000 is a low-power, power-line current sensor for contactless AC current measurements in the range of 2A to 5000A. The device consists of an on-chip Rogowski coil, a buffer amplifier, and a signal amplifier.
From an alternating power-line current, the magnetic flux flows through the on-chip coil, generating an electromotive force (EMF) that is amplified and filtered by a signal amplifier.
The amplifier output is typically fed into an analog-to-digital converter with a subsequent signal processor that calculates the current magnitude.
The RAA788000 operates from a single 2.7V to 3.6V supply. The device is available in a small 16 Ld TSSOP package and has an operation specified for the temperature range from -40°C to +105°C.
The RAA788000 is available in a 16 Ld thin shrink small outline package (TSSOP).