特長
- Flyback regulator with 1000V 9Ω MOSFET
- Frequency doubling for heavy load operation (21W and above), for a programmable duration (maximum time depends on thermal capability)
- Fault-tolerant input overvoltage protection
- Valley switching to reduce switching losses
- Programmable constant frequency PWM operation
- Burst mode operation at light load
- Protection features: short-circuit protection (SCP), overload protection (OLP), input undervoltage lockout (VinUV), input OVP, VCC overvoltage protection (VccOV), VCC undervoltage lockout (VccUV) and over-temperature protection (OTP).
説明
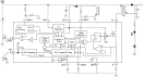
The RAA223182 is an off-line Flyback regulator with a 1000V integrated MOSFET, designed for high input voltage applications such as 3-phase electric meter power supplies and other generally isolated power supplies. The RAA223182 can deliver up to 11W from the universal 3-phase input voltage.
パラメータ
| 属性 | 値 |
|---|---|
| Topology Characteristic | Flyback or Forward (two switch) |
| Control Mode | DCM |
| UVLO Rising (V) | 12 |
| UVLO Falling (V) | 5.5 |
| VBIAS (Max) (V) | 18 |
| PWMs (#) | 1 |
| Output Power Max (W) | 12 |
| Switching Frequency (KHz) | 50 - 100 |
| Controller / Integrated | Integrated |
| Advanced Features | CapSaver, Peak Power |
| Temp. Range (°C) | -40 to +125°C |
| Qualification Level | Standard |
パッケージオプション
| Pkg. Type | Pkg. Dimensions (mm) | Lead Count (#) | Pitch (mm) |
|---|---|---|---|
| SOICN | 9.9 x 3.9 x 1.25 | 13 | 1.3 |
アプリケーション
- Smart Meter
- Large appliances
- Industry control
適用されたフィルター
読込中