メインコンテンツに移動
Account
日本語
日本語
English
中文
日本語
サンプル
カート
ログイン
Main navigation
メニュー
戻る
製品情報
マイクロコントローラとマイクロプロセッサ
アンプ
ASIC & IP
オーディオ、ビデオ・ディスプレイ
車載製品
クロックとタイミング
データコンバータ
インタフェース
メモリ&ロジック
パワーディスクリート
パワー & パワーマネジメント
プログラマブルロジック
センサ製品
航空宇宙および苛酷環境用IC
スイッチ&マルチプレクサ
ワイヤレス接続
クロスリファレンス検索
Product Selector
マイクロコントローラとマイクロプロセッサ
メニューを閉じる
Product Selector
RA Arm Cortex-M MCU
Product Selector
RZ 32 & 64ビットMPU
Product Selector
RL78 低消費電力 8 & 16ビットMCU
Product Selector
RX 32ビット高性能/高効率MCU
Product Selector
RISC-V 32 & 64ビットMCUおよびMPU
Product Selector
RH850 車載用MCU
Product Selector
Renesas Synergy™プラットフォームMCU
Product Selector
その他のMCUとMPU
アプリケーション
アプリケーション
メニューを閉じる
自動車
eモビリティ
先進運転支援システム(ADAS)
電気自動車&ハイブリッド車(EV)
インフォテインメントシステム
車両制御システム
通信インフラストラクチャ
クラウドエンタープライズ
ネットワーキング & 固定アクセス
無線インフラストラクチャ
民生機器全般
カメラ
コンピューティング
コネクテッドホーム & エンタテイメント
電源アダプタ&チャージャ
ウェアラブル
産業用機器
スマート家電
ビルディング・オートメーション
産業オートメーション
医療・ヘルスケア
メータ
モータドライブ
再生可能エネルギー&グリッド
小売の決済自動化ソリューション
ロボット
キーテクノロジー
人工知能(AI)
機能安全
窒化ガリウム(GaN)電源
ヒューマン・マシン・インタフェース (HMI)
モータ制御
セキュリティ
トラッキング & 位置測位
USB
設計リソース
設計リソース
メニューを閉じる
設計・開発
ボード&キット
リファレンス・デザイン
開発ツール
ソフトウェア&ドライバ
パッケージ検索
クロスリファレンス検索
Gadget Renesas Maker Resources
コンテンツ&トレーニング
ドキュメント&ダウンロード
半導体セミナー
トレーニング
ビデオ
ウェビナー
ブログ
注目のツール
Renesas 365
クイックコネクトプラットフォーム
Lab on the Cloud
PowerCompassマルチレールデザインツール
PowerNavigator
タイミング・コマンダー
パートナー
Preferred Partner Program (システム)
Renesas Ready Partner Network (ソフトウェア)
R-Carコンソーシアム
サポート
サポート
メニューを閉じる
サポートコミュニティ
ルネサスの技術スタッフやコミュニティからサポートを受けることができます。
アナログ
マイクロコントローラ
マイクロプロセッサ
パワーマネージメント
技術サポート
ナレッジベース
サポートチケット
トレーニング&イベント
イベント
半導体セミナー
トレーニング
ビデオ
ウェビナー
品質/信頼性情報/パッケージ
環境コンプライアンス
パッケージ
製品変更通知
製品ライフサイクル
長期製品供給プログラム
PSIRT
品質/信頼性
サンプル&ご購入
サンプル&ご購入
メニューを閉じる
ルネサスサイトからの直接購入
便利なルネサスからの直接購入を選択できるようになりました。
購入関連情報
在庫確認
サンプルのご注文に関する情報
製品発注型名の見方
サポート終了(EOL)製品
販売・ディストリビュータのディレクトリ
クロスリファレンス検索
会社情報
会社情報
メニューを閉じる
会社案内
会社概要
サステナビリティ
採用
新卒採用
経験者採用
お問合せ
販売問合せ
技術問合せ
ニュースルーム
ニュースリリース
ブログ
サクセスストーリー
投資家の皆様へ
IR資料
業績ハイライト
財務カレンダー
株式基本情報
日本語
日本語
English
中文
日本語
サンプル
カート
ログイン
検索
パンくず
全製品リスト
パワー & パワーマネジメント
FETドライバ
ハイサイドFETドライバ
R2A25110KSP
R2A25110KSP
廃止品
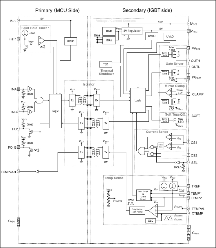
HEV/EV用ゲートドライバ
データシート
前へ
概要
製品選択
ドキュメント
ボード&キット
ソフトウェア/ツール
ビデオ&イベント
サポート
次
製品ツリー
Close product tree menu
Open product tree menu
読込中
適用されたフィルター
読込中
読込中
読込中
読込中