メインコンテンツに移動
ルネサス エレクトロニクス株式会社 (Renesas Electronics Corporation)

特長

  • N-channel FET switches with no parasitic diode to VCC
  • Isolation under power-off conditions
  • No DC path to VCC or GND
  • 5V tolerant in OFF and ON state
  • 5V tolerant I/Os
  • Flat RON characteristics over operating range
  • Rail-to-rail switching 0V to 5V
  • Bidirectional dataflow with near-zero delay: No added ground bounce
  • Excellent RON matching between channels
  • VCC operation: 2.3V to 3.6V
  • High bandwidth
  • LVTTL-compatible control Inputs
  • Undershoot clamp diodes on all switch and control Inputs
  • Low I/O capacitance, 4pF typical
  • 25Ω resistors for low noise and line matching
  • Available in a 24-pin QSOP package

説明

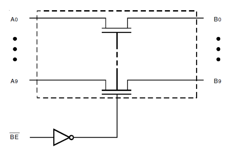
The QS3VH2861 HotSwitch is a high-bandwidth bus switch with a 10-bit flow-through pinout. The QS3VH2861, with 25Ω ON-resistance and 1.35ns propagation delay, is ideal for line matching and low noise environments. The combination of small propagation delay, high OFF impedance, and overvoltage tolerance makes the QS3VH2861 ideal for high-performance communications applications. The QS3VH2861 operates from -40 °C to +85 °C.

アプリケーション

  • Hot-swapping
  • Low distortion analog switch
  • Replaces mechanical relay
  • ATM 25/155 switching

適用されたフィルター