特長
- 完全なデジタルパワー
- 20A シングルチャネル出力電流
- 4.75V~15Vシングルレール入力電圧
- 最大94%の効率
- プログラム可能な出力電圧
- 0.45V~3.3Vの出力電圧設定
- ライン、負荷、温度に対して±0.7%の精度
- 高度なリニアデジタル変調方式
- 最大1.25MHzの固定スイッチング周波数動作
- デュアルエッジ変調とオプションのダイオードブレーキによる高速過渡応答
- 優れたVOUT遷移性能
- PMBus V1.3に対応
- PMBusを通じて完全にプログラム可能
- デバイスの不揮発性メモリ(NVM)に最大16のユーザ設定を保存可能
- VIN、VOUT、IOUT、温度、デューティ・サイクル、fSWのリアルタイム・テレメトリ
- 高度なソフトスタート/ストップ、シーケンス処理、マージニング
- カスタマイズ可能な過電圧/低電圧、過電流、および過熱保護
- フォルト・インジケータによるブラックボックス・ステータス記録機能
- 10mm × 13mm × 5.9mm BGA(POP)パッケージ
説明
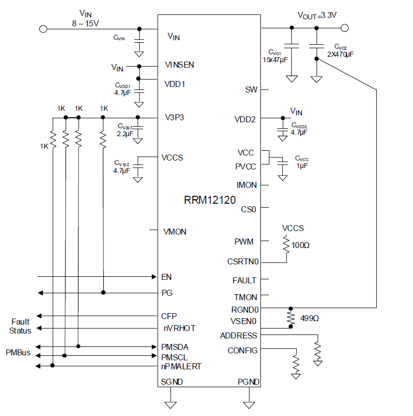
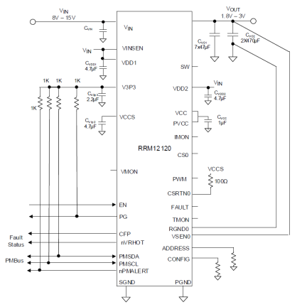
RRM12120は、コンパクトな10mm × 13mm × 5.9mmの熱特性に優れたBGAパッケージから最大20Aの電流を供給できるPMBus対応のDC/DC降圧電源です。
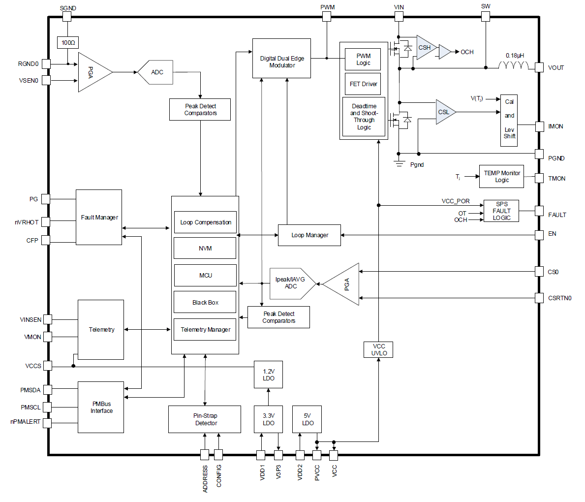
4.75V~15Vの入力電圧範囲で動作するRRM12120は、0.45Vまで出力電圧を調整可能で、最大94%の効率を実現します。 RRM12120は、ルネサス独自のデジタル合成電流変調方式を実装し、過渡応答、チューニングの容易さ、および全負荷範囲にわたる効率の面で業界をリードする組み合わせを実現しています。 最小限の外付け部品、シンプルな構成、堅牢なフォルト管理、高精度のレギュレーション能力により、高性能レギュレータの実装がかつてないほど容易になりました。
PMBus V1.3互換の標準PMBusインタフェースは、デバイスの構成、シーケンス処理に対応、フォルト管理を容易にし、リアルタイムのフルテレメトリとポイントオブロード・モニタリング、および詳細なフォルトレポートを提供します。 これらの機能はすべて、PowerNavigator™ソフトウェア・ツールから簡単にアクセスできます。
完全にカスタマイズ可能なサイクル単位での電流(ピーク過電流およびピークバレー電流制限)、電圧、および温度保護方式は、システム障害に応答して出力をラッチオフまたはリスタートすることができます。
パラメータ
| 属性 | 値 |
|---|---|
| Input Voltage (Max) (V) | 15 |
| Output Voltage (Min) (V) | 0.45 |
| Output Voltage (Max) (V) | 3.3 |
| Output Current (Max) [Rail 1] (A) | 20 |
| Switching Frequency Range (Typical) (kHz) | 500 - 500 |
| Control Type | Digital |
| Current Sharing | No |
| Digital Bus | Yes |
| SYNCH Capability | No |
| POR | Yes |
| Peak Efficiency (%) | 94 |
| Qualification Level | MSL3 |
| Temp. Range (°C) | -40 to +85°C |
パッケージオプション
| Pkg. Type | Pkg. Dimensions (mm) | Lead Count (#) | Pitch (mm) |
|---|---|---|---|
| Module | 13.0 x 10.0 x 5.60 | 130 | 1 |
アプリケーション
- サーバ、テレコミュニケーション、ストレージ、データ通信
- 産業用機器/ATEおよびネットワーク機器
- ASIC、FPGA、DSP、およびメモリ用汎用電源
適用されたフィルター
フィルター
ソフトウェア/ツール
サンプルコード
シミュレーションモデル
An overview of Renesas’ digital and analog power module lineup, which is designed to have excellent efficiency, output voltage accuracy and transient response in an optimized solution size. The RRM12120 and RAA210130 digital power modules are designed for high current applications (20A and 30A, respectively) while mini modules RAA210030 and RAA210040 target low current applications requiring an extremely small form factor.
Explore Renesas’ cutting-edge digital and analog power modules engineered for exceptional efficiency, precise output voltage, and fast transient response, all in optimized compact designs. From high-current solutions to ultra-small form factor mini modules for low-current applications, this lineup delivers performance tailored to every need.
Related Resources