概要
説明
Renesas Starter Kit for RX610は、RX610マイコン用のユーザフレンドリーな学習/評価ツールです。
同梱エミュレータについて
E1エミュレータは使用部品の EOL(生産終了)に伴い、生産を終了させていただくことになりました。
詳細及び後継品につきましては下記ツールニュースをご確認ください。
【お知らせ】 E1 エミュレータ生産中止予告 (PDF | English, 日本語)
E1を同梱しているRenesas Starter Kitは、引き続きE1を同梱して販売いたします(在庫限り)。同梱エミュレータの変更はありません。
レイアウトと仕様
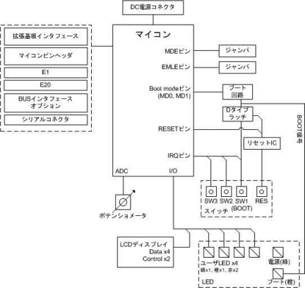
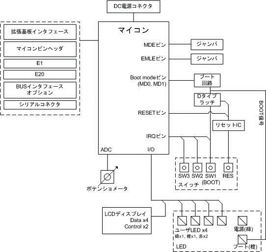
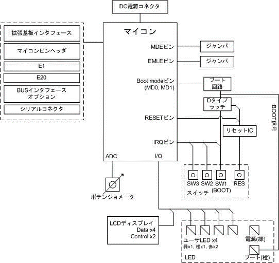
LCDディスプレイモジュールは、着脱可能なサブボードとしてRenesas Starter Kit for RX610に同梱されています。ボード寸法は、120 mm x 100 mmです。詳細なボード寸法は、 ユーザーズマニュアルをご参照ください。
画像

| 項目 | 仕様 |
|---|---|
| マイコン | R5F56107VNFP |
| 入力クロック | メイン:12.5 MHz |
| ポテンショメータ | 単回転タイプ, 10 kΩ |
| LED | 電源用:(緑) x 1 |
| ブート用:(橙) x 1 | |
| ユーザ用:(緑) x 1, (橙) x 1, (赤) x 2 | |
| スイッチ | リセットスイッチ x 1 |
| ユーザ/ブートスイッチ x 1 | |
| ユーザスイッチ x 2 | |
| DC電源コネクタ | 5 V 入力 |
| E1 コネクタ | 14 ピン ボックスヘッダ |
| E20 コネクタ | 38 ピン Mictorコネクタ |
| RS232 コネクタ | 9 ピン D-sub |
| LCDディスプレイコネクタ | 14 ピン ソケット |
| マイコンピンヘッダ | 2.54 mmピッチ, 30 ピン x 2 (J1, J3), 20 ピン x 2 (J2, J4) |
| 拡張基板インタフェース | 2.54 mmピッチ, 26 ピン x 2 (JA1, JA2), 24 ピン x 2 (JA5, JA6) |
| BUSインタフェースオプション | 2.54 mm ピッチ, 50 ピン (JA3) |
※E20コネクタ、マイコンピンヘッダ、拡張基板インタフェース、バスインタフェースは、製品に付属していません。
※実装しているポテンショメータの仕様は、メーカのサイトを参照してください。
メーカ名:PIHER社 型名:N6シリーズ
製品構成
- CPUボード
- LCDディスプレイモジュール(着脱可)
- ポテンショメータ用調整シャフト(着脱可)
- E1 エミュレータ
- 接続ケーブル(USBケーブル、ユーザインタフェースケーブル)
- クイックスタートガイド
- CD-ROM
- - ドキュメント :
- ユーザーズマニュアル等
- - 統合開発環境 :
- High-performance Embedded Workshop
- - Cコンパイラ :
- RXファミリ用C/C++コンパイラパッケージ 無償評価版
- - デバッガ :
- E1/E20 エミュレータデバッガ
- - フラッシュメモリプログラマ :
- Flash Development Toolkit 無償評価版
注意
- RXファミリ用C/C++コンパイラパッケージ 無償評価版は、サポート対象外です。また、正規版RXファミリ用C/C++コンパイラパッケージに対し、一部、制限があります。
- 試用期間: 60日間
61日以降は、リンクサイズの制限(128 KBまで)あり。 - Flash Development Toolkit 無償評価版は、サポート対象外です。
動作環境
- IBM PC/AT互換機(USBインタフェース要) *1
- Intel Pentium Ⅲ 600 MHz以上 *3
- メモリ 128 MB以上
- Microsoft Windows 2000/ Windows XP/ Windows Vista *2 (記載のOS以外は対応しておりません)
*1: IBM, PC/ATは米国International Business Machines Corporationの登録商標です。
*2: MS, MS-DOS, Windowsは米国Microsoft Corporationの登録商標です。64 ビット版のWindows Vista®には対応していません。
*3: Pentiumは米国Intel Corporationの商標です。
特長
- 付属のE1エミュレータおよび統合開発環境 High-performance Embedded Workshop*1を使用して、コーディングやデバッグを行うことができます。また、Flash Development Toolkitを使用して、ボード上のマイコンのフラッシュROMにプログラムを書き込むこともできます。
- *1:Renesas Starter Kit for RX610には統合開発環境 High-performance Embedded Workshop用サンプルコードを同梱していますが、統合開発環境CubeSuite+環境でもご使用いただけます。
- Renesas Starter Kit for RX610は、E1エミュレータまたはRS232シリアルを経由してホストPCと接続します。
- Renesas Starter Kit for RX610の目的は、製品購入後すぐにプログラムを実行できる簡単なプラットフォームを提供することにより、お客様がマイコンや周辺機能を学習/評価できるようにすることです。