メインコンテンツに移動
ルネサス エレクトロニクス株式会社 (Renesas Electronics Corporation)

特長

  • ISL91106 with 3.8A switches
  • ISL91106A with 4.2A switches
  • Accepts input voltages above or below regulated output voltage
  • Automatic and seamless transitions between buck and boost modes
  • Input voltage range: 1.8V to 5.5V
  • Output current (PVIN = 2.8V, VOUT = 3.3V):
  • 2.1A (ISL91106A)
  • 2A (ISL91106)
  • High efficiency: up to 96%
  • 45µA quiescent current maximizes light load efficiency
  • 2.5MHz switching frequency minimizes external component size
  • Selectable forced PWM mode
  • Selectable bypass power saving mode
  • Fully protected for over-temperature, overcurrent, and undervoltage
  • Small 2.15mmx1.51mm WLCSP

説明

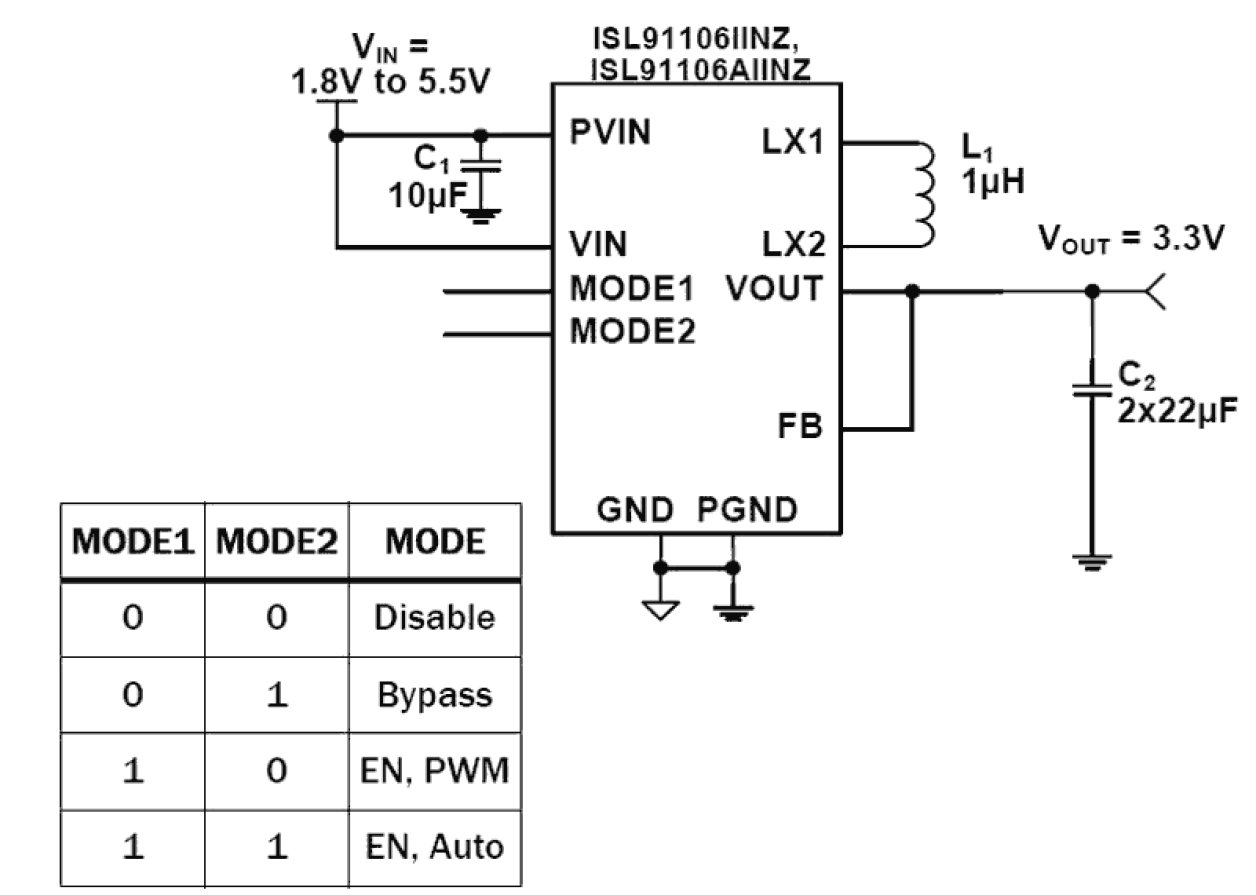
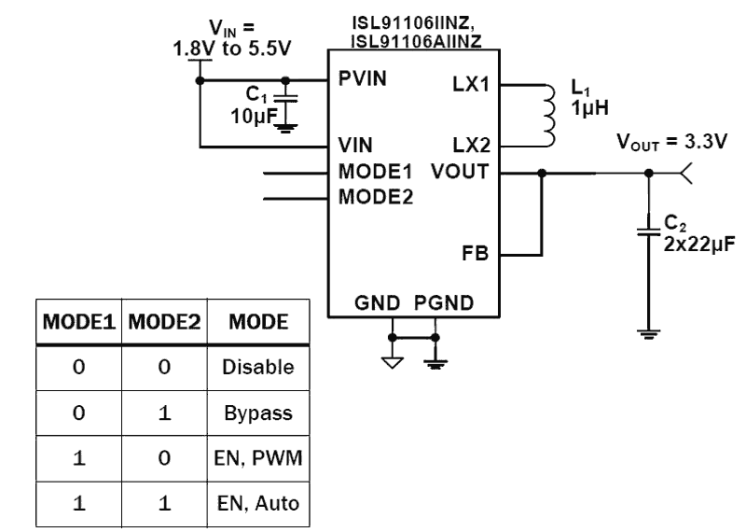
The ISL91106 and ISL91106A are highly integrated buck-boost switching regulators that accept input voltages either above or below the regulated output voltage. Unlike other buck-boost regulators, these regulators automatically transitions between operating modes without significant output disturbance. The devices also include a selectable bypass mode for low power consumption in applications that have a sleep or low-power mode.

These devices are capable of delivering up to 2A of output current (PVIN = 2.8V, VOUT = 3.3V) and provide excellent efficiency due to their fully synchronous 4-switch architecture. No load quiescent current of only 45µA also optimizes efficiency under light-load conditions.

The ISL91106 and ISL91106A are designed for standalone applications. They support 3.3V and 3.4V fixed output voltages or variable output voltages with an external resistor divider.

Output voltages as low as 1V or as high as 5.2V are supported using an external resistor divider. The ISL91106 and ISL91106A require only a single inductor and very few external components. Power supply solution size is minimized by a 2.15mmx1.51mm WLCSP and a 2.5MHz switching frequency, which further reduces the size of external components.

アプリケーション

  • Smartphones and tablet PCs
  • Wireless communication devices
  • 2G/3G/4G power amplifiers

適用されたフィルター