メインコンテンツに移動
代替製品
ISL95522A - Hybrid Power Boost and Narrow VDC Combo Battery Charger with SMBus Interface
  • Notes:NRND: The ISL88750 is not recommended for new designs.

特長

  • Adapter current monitor and battery discharging current monitor
  • Uses NFET for all the switches
    • Supports removal of battery during Battery Learn mode
    • Actively controlled inrush current to prevent FET damage
  • SMBus programmable settings and high accuracy
  • Comprehensive protection features include
    • Hardware-based adapter current and battery current limits
    • Supports sudden removal of battery in system Turbo mode
  • 16 switching frequency options from 350kHz to 1MHz
  • Low quiescent current
  • SMBus and auto-increment I2C compatible
  • Renesas Robust Ripple Regulator (R3™) modulation scheme provides excellent light-load efficiency and fast dynamic response
  • 32 Ld 4x4mm2 QFN package
  • Pb-free (RoHS compliant)

説明

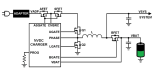
The ISL88750 is a highly versatile Narrow VDC (NVDC) battery charger, supporting 2-, 3- or 4-cell batteries. It allows the battery to work with the adapter together to supply the system load when it exceeds the adapter capability, referred to as system Turbo mode. ISL88750 quickly turns on BGATE to enable the battery to help the adapter provide the system power in Turbo mode. The ISL88750 uses N-channel MOSFETs (NFETs) for all the switches to achieve the best performance and lowest BOM cost. The internal charge pump is capable of turning on all the NFETs fast or slow depending on the circumstance or the need. The ability to quickly turn on NFETs prevents system bus voltage drop when the battery is suddenly removed in Turbo mode or in Battery Learn mode. The ISL88750 features hardware based adapter current limit and battery-current limit in addition to SMBus programmable limits. The ISL88750 provides a high accuracy adapter current monitor and battery discharging current monitor outputs. To provide maximum flexibility for working with high power and low power systems, it provides several configurable current-sense resistor value options to achieve the best trade-off of current sensing accuracy vs power loss. The ISL88750 uses the Renesas patented Robust Ripple Regulator (R3™) modulation scheme to provide excellent light-load efficiency and fast dynamic response. It is available in a 32 Ld 4x4mm2 QFN package.

パラメータ

属性
Topology [Rail 1]Buck
Input Voltage (Min) (V)8
Input Voltage (Max) (V)22
Input Current Limit Accuracy (% (±))3
Battery Charge Voltage1.024 to 19.2 in 16mV Steps
Charging Voltage Accuracy (Max) (±%)0.5
Battery Charge Voltage Adjustment16mV steps
Charge Current Limit Accuracy±3
Trickle Charge Current Range64mA to 220mA
Switching Frequency Range (Typical) (kHz)400 - 400

パッケージオプション

Pkg. TypePkg. Dimensions (mm)Lead Count (#)Pitch (mm)
QFN4.0 x 4.0 x 0.90320.4

アプリケーション

  • Devices with rechargeable 2-
  • 3- or 4-cell batteries

適用されたフィルター