メインコンテンツに移動
ルネサス エレクトロニクス株式会社 (Renesas Electronics Corporation)
代替製品
NRND - No Recommended Replacements Available - NRND
  • Notes:The ISL8273M is not recommended for new designs and has no alternative product available.

特長

  • Complete digital power supply
  • 80A single channel output current
  • 4.5V to 14V single rail input voltage
  • Up to 93% efficiency
  • Up to 320A/4 parallel modules capable solution
  • Multiphase and current sharing operations (180°/22.5° steps)
  • Programmable output voltage
  • 0.6V to 2.5V output voltage settings
  • ±1% accuracy over line, load, and temperature
  • ChargeMode control loop architecture
  • 296kHz to 1.06MHz fixed switching frequency operations
  • No compensation required
  • Fast single clock cycle transient response
  • PMBus interface and/or pin-strap mode
  • Fully programmable through PMBus
  • Pin-strap mode for standard settings
  • Real-time telemetry for VIN, VOUT, IOUT, temperature, duty cycle, and fSW
  • Advanced soft-start/stop, sequencing, and margining
  • On-board nonvolatile memory
  • Complete over/undervoltage, current, and temperature protections with fault logging
  • PowerNavigator™ software supported
  • Thermally enhanced 18mmx23mmx7.5mm HDA package

説明

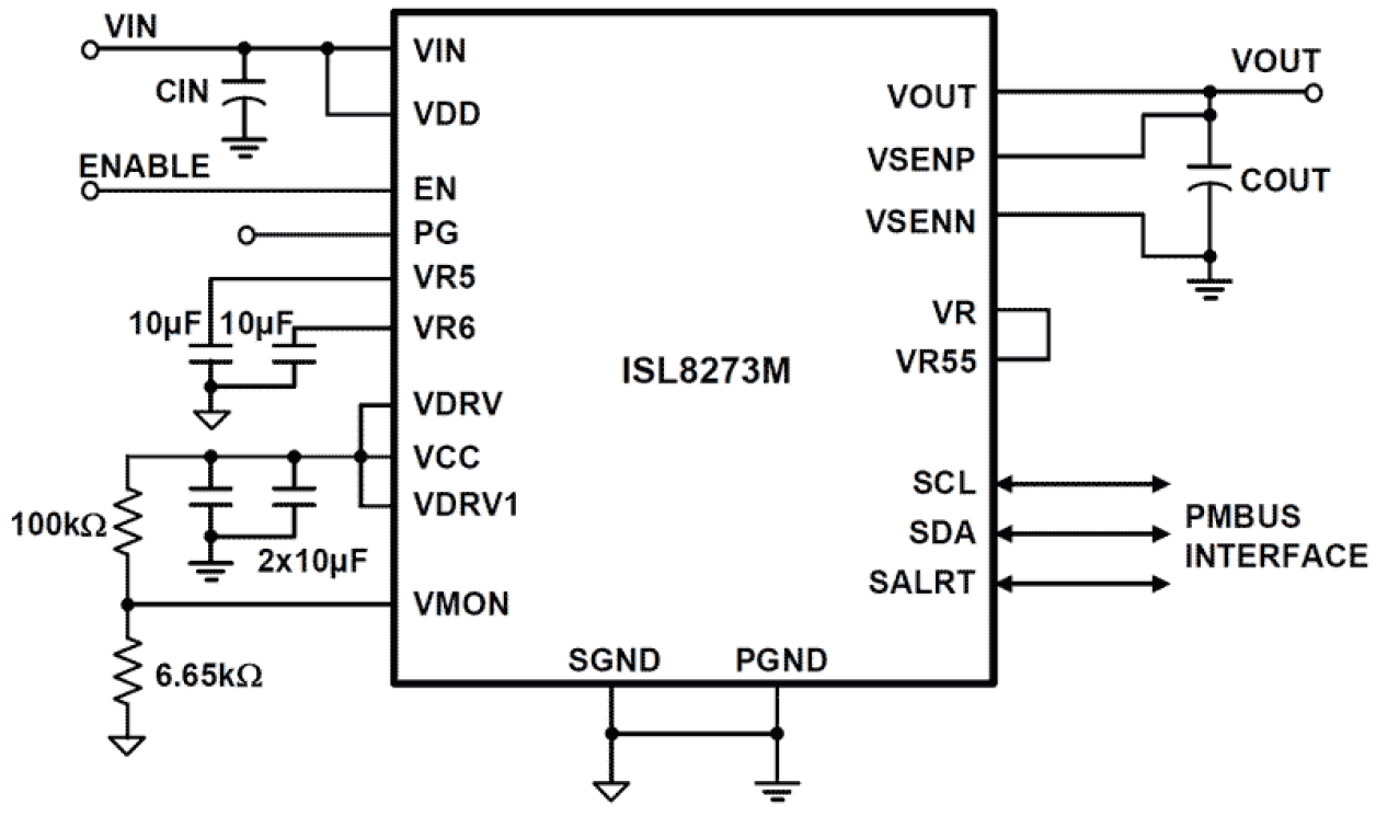
The ISL8273M is a complete PMBus enabled DC/DC single channel step-down advance power supply capable of delivering up to 80A of current and optimized for high power density applications. For higher output current, up to four ISL8273Ms can be paralleled to supply up to 320A in a multiphase current sharing configuration. Operating over an input voltage range of 4. 5V to 14V, the ISL8273M offers adjustable output voltages down to 0. 6V and achieves up to 93% conversion efficiencies. A unique ChargeMode™ control architecture provides a single clock cycle response to an output load step and can support switching frequencies up to 1MHz. The power module integrates all power and most passive components and requires only a few external components to operate. A set of optional external resistors allows the user to easily configure the device for standard operation. For advanced configurations, a standard PMBus interface addresses sequencing and fault management, as well as real-time full telemetry and point-of-load monitoring. Additionally, on-board nonvolatile memory can store the desired custom configuration and settings. A fully customizable voltage, current, and temperature protection scheme ensures safe operation for the ISL8273M under abnormal operating conditions. The device is also supported by the PowerNavigator™ software, a full digital power train development environment. The ISL8273M is available in a low profile compact 18mmx23mmx7. 5mm fully encapsulated thermally enhanced HDA package.

適用されたフィルター