特長
- Input/output voltage range: 5V to 55V, withstands 60V transients
- Supports synchronous or standard boost topology
- Peak current mode control with adjustable slope compensation
- Secondary average current control loop
- Integrated 5V 2A sourcing/3A sinking N-channel MOSFET drivers
- Switching frequency: 50kHz to 1.1MHz per phase
- External synchronization
- Programmable minimum duty cycle
- Programmable adaptive dead time control
- Optional diode emulation and phase dropping
- PWM and analog track function
- Forced PWM operation with negative current limiting and protection
- Comprehensive fault protections
- Selectable hiccup or latch-off fault response
- AEC-Q100 qualified, Grade 1: -40°C to +125°C
- 5mmx5mm 32 Ld Wettable Flank QFN (WFQFN) package
説明
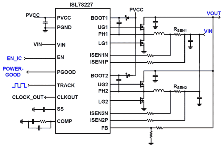
The ISL78227 is an automotive grade (AEC-Q100 Grade 1), 2-phase, 55V synchronous boost controller that simplifies the design of high power boost applications. It integrates strong half-bridge drivers, an analog/digital tracking input, and comprehensive protection functions. The ISL78227 enables a simple, modular design for systems requiring power and thermal scalability. It offers peak-current mode control for fast line response and simple compensation. Its synchronous 2-phase architecture enables it to support higher current while reducing the size of input and output capacitors. The integrated drivers feature programmable adaptive dead time control offering flexibility in power stage design. The ISL78227 offers a 90° output clock and supports 1-, 2-, and 4-phases. The ISL78227 offers a highly robust solution for the most demanding environments. Its unique soft-start control prevents large negative current even in extreme cases, such as a restart under high output prebias on high volume capacitances. It also offers two levels of cycle-by-cycle overcurrent protection, average current limiting, input OVP, output UVP/OVP, and internal OTP. In the event of a fault, the fault protection response can be selected to be latch-off or hiccup recovery. Also integrated are several functions that ease system design. A unique tracking input controls the output voltage, allowing it to track either a digital duty cycle (PWM) signal or an analog reference. The ISL78227 provides input average current limiting so the system can deliver transient bursts of high load current while limiting the average current to avoid overheating.
パラメータ
属性 | 値 |
---|---|
Outputs (Max) (#) | 1 |
Phases (Max) | 2 |
Output Voltage (Min) (V) | 5 |
Bias Voltage Range (V) | 4.75 - 5.5 |
Integrated MOSFET Driver (s) | Yes |
Input Voltage (Min) (V) | 5.6 |
Input Voltage (Max) (V) | 55 |
Parametric Applications | Automotive power system (e.g., 12V to 24V, 12V to 48V, etc.), Trunk audio amplifier, Start-stop system, Automotive boost applications, Industrial and telecommunication power supplies |
Qualification Level | Automotive |
Simulation Model Available | iSim |
パッケージオプション
Pkg. Type | Pkg. Dimensions (mm) | Lead Count (#) | Pitch (mm) |
---|---|---|---|
WFQFN | 5.0 x 5.0 x 0.85 | 32 | 0.5 |
適用されたフィルター
フィルター
ソフトウェア/ツール
サンプルコード
シミュレーションモデル
Renesas introduces the ISL78227 and ISL78229 automotive-grade 55V, 2-phase synchronous boost controllers. The ISL78229 features a PMBus interface for advanced control, telemetry, and diagnostics. Renesas showcases how these devices address common challenges in automotive power design.
Transcript
ISL78227/29 55V Automotive Boost Controller
Hi, I'm Steve Schulte, Application Engineering Manager for automotive power management products at Intersil. Today I'd like to introduce Intersil's new automotive grade boost controllers, ISL78227 and ISL78229. The ISL78229 offers a PMBus interface for advanced control, telemetry and diagnostics.
I'm going to demonstrate how these devices provide several means to solve a common challenge in automotive power supply design. Often a system needs to dynamically adjust, scale, or modulate the power supply voltage based on load demands or system needs. For example, whenever the battery supply is low, power consumption of various components, such as audio amplifiers, must be limited, especially when the engine is restarted in start/stop operation.
The ISL78227 and ISL78229 offer a unique envelope tracking feature that dynamically adjusts or scales the output voltage on the fly to meet all system load demands.
Let me show you how this works on this ISL78229 evaluation board. Here I've set up the ISL78229, with an input supply of 12V and configured the output voltage to 36V. In this configuration it is set up to deliver a 3A current to the load. In addition, I have provided an analog envelope signal to the track pin via a function generator. The tracking bandwidth of the track pin is approximately 400Hz. Here I am providing a sinusoidal envelope at 200Hz. On the oscilloscope you can see the track signal on channel 1 in yellow and the corresponding output voltage on channel 4 in green. As you can see, the output voltage is proportional to the track input and is varying between 16V and 36V.
For systems that find it more convenient to create a digital PWM signal, such as a DSP or microcontroller based system, the track pin can also follow such a signal. Here I have provided a PWM signal, whose duty cycle varies in a triangular pattern. Now I'm going to switch to the output, which is varying between 16V and 36V, in the shape defined by the duty cycle of the PWM input.
In summary, the ISL78227 and ISL78229 are easy to use and also the industry's most robust and highly integrated boost controllers. Some of the key features include: two layers of overcurrent protection prevent runaway system damage, negative current protection prevents large currents that can damage the high-side FET, average current limiting allows high current for brief heavy load periods and prevents long durations that can cause overheating, diagnostic features to aid in ASIL compliance.
We have a complete set of support tools, such as evaluation boards, user guides and a white paper.