メインコンテンツに移動
ルネサス エレクトロニクス株式会社 (Renesas Electronics Corporation)

特長

  • 2A電流FET
  • 3V~5V入力
  • 最大20V昇圧出力
  • 昇圧出力1%レギュレーション
  • VLOGIC-VBOOST-VOFF-VONまたはVLOGIC-VOFF-VBOOST-VONシーケンス制御
  • プログラム可能なシーケンス遅延
  • 完全故障保護
  • サーマルシャットダウン
  • 内部ソフトスタート
  • 32Ld 5x5 TQFPパッケージ
  • AEC-Q100テスト済み
  • 鉛フリー(RoHS対応)

説明

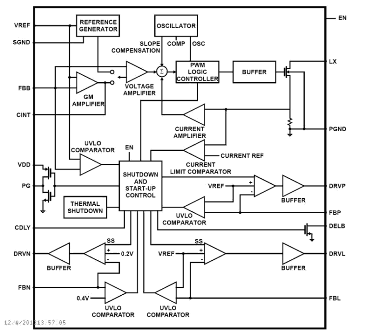
ISL78010は、あらゆるTFT-LCD車載アプリケーションに使用できるマルチ出力レギュレータです。2A FET内蔵のシングル昇圧コンバータ、VONおよびVLOGIC生成用の2つの正極LDO、VOFF生成用の1つの負極LDOを備えています。ブースト・コンバータは、過渡応答を最適化するPモードまたは負荷レギュレーションを改善するPIモードのいずれかで動作するようにプログラムできます。ISL78010は、4チャネルすべてにフォルト保護機能を備えています。VBOOST、VON、VOFFのいずれかのチャンネルでフォルトが検出されると、入力電源またはENが再投入されるまでデバイスはラッチオフされます。VLOGICチャンネルでフォルトが検出されると、入力電源が再投入されるまでデバイスはラッチオフされます。VLOGIC チャネルは EN 機能の影響を受けません。ISL78010には、VLOGIC、VBOOST、VOFF、VONの順、またはVLOGIC、VOFF、VBOOST、VONの順のスタートアップ・シーケンスも内蔵されています。後者のシーケンスでは、外部トランジスタが1つ必要になります。起動シーケンスのタイミングは、外付けコンデンサで設定します。ISL78010は32Ld 5x5 TQFPパッケージで、-40℃~+105℃の温度範囲で動作します。AEC-Q100定格です。

アプリケーション

  • すべての車載用LCDディスプレイ

適用されたフィルター