メインコンテンツに移動
ルネサス エレクトロニクス株式会社 (Renesas Electronics Corporation)

特長

  • ルネサスのRAD TolerantスクリーニングおよびQCI Flow(R34TB0004EU)に適合
  • 独立した2.7V〜5.5Vバイアスレールと0.75V〜5.5VのLDO入力レール
  • 600μVデッドバンドクロスオーバーを備えた3Aソースおよびシンク低ドロップアウトレギュレータ
  • 内部バッファ付きリファレンスアンプは、DDRアプリケーション向けにVREF = VDDQ / 2を提供
  • 標準LDOアプリケーション用の0.5V電圧リファレンスを内蔵
  • DDR4構成での3Aソースでの122mVの低ドロップアウト(typ)
  • 300mAから3Aまでのソースとシンクの個別OCP設定
  • オプションのLDOおよびバッファ出力放電機能
  • 外部調整可能なソフトスタート
  • TID放射線ロット受入試験(RLAT)(LDR:≤ 10mrad(Si)/s)
    • ISL75055M30NEZ:30krad(Si)
    • ISL75055M50NEZ:50krad(Si)
  • SEE特性評価
    • 46MeV•cm2/mgでVIN = 6.2V、VCC = 6.9Vの場合、DSEEなし
    • VOUT およびBUF-OUTは、46MeV•cm2/mgで2%以下
    • |V出力 - BUF-OUT|46MeV・cm2/mgで40mV以下
    • SEFI < 0.18μm2 (46MeV•cm2/mg)

説明

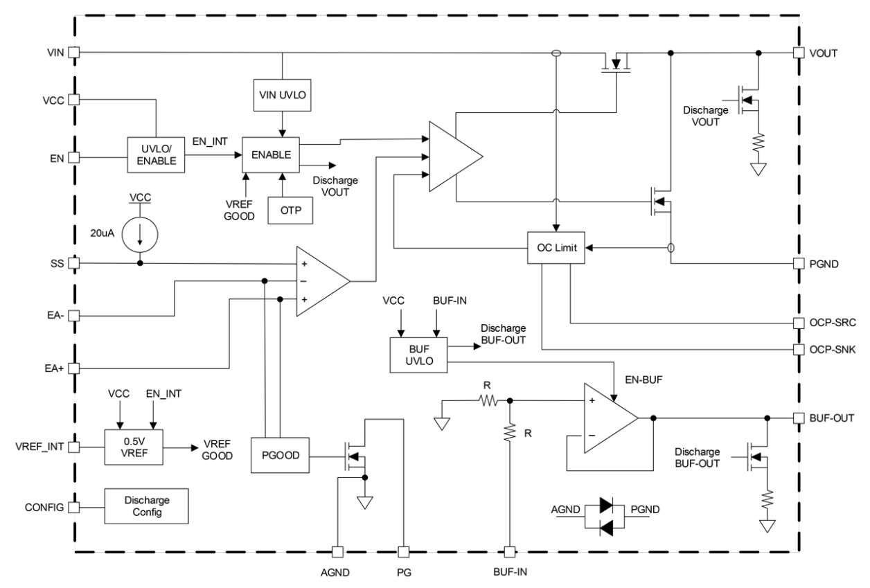
このISL75055Mは、DDRメモリのVTT 終端レールとVREF リファレンス電源に電力を供給するため、または汎用LDOとして使用するために設計された、耐放射線性、低ドロップアウトのリニアレギュレータです。 わずか600μVのデッドバンドクロスオーバーで3Aの電流をソースおよびシンクすることができ、2.7V〜5.5Vのバイアスと0.75V〜5.5VのLDO入力レールを分離して、高精度の出力レギュレーションを維持しながら内部損失を最小限に抑えます。 保護機能には、ソースとシンクの両方に対する個別に調整可能な過電流保護、および過熱保護が含まれます。

このISL75055Mは、48ピン薄型プラスTQFP-EPで提供され、-55°C〜+125°Cの軍用全温度範囲で動作します。

パラメータ

属性
RatingSpace
IOUT (A)3
Supply Voltage (min) (V)0.75 - 0.75
Supply Voltage (max) (V)5.5 - 5.5
Input Voltage (Min) (V)2.7
Input Voltage (Max) (V)5.5
VDO @ IOUTMAX (Typ) (mV)122
VOUT (min) (V)0.5
VOUT (max) (V)4.1
Temp. Range (°C)-55 to +125°C
TID LDR (krad(Si))30, 50
DSEE (MeV·cm2/mg)46
FlowRT Plastic
Qualification LevelRadiation Tolerant Plastic
Die Sale Availability?No
PROTO Availability?No

パッケージオプション

Pkg. TypePkg. Dimensions (mm)Lead Count (#)Pitch (mm)
TQFP-EP7.0 x 7.0 x 1.00480.5

製品比較

ISL75055MISL73051ASEHISL75051ASEHISL75054M
Supply Voltage (min).75 - .752.2 - 2.22.2 - 2.22.7 - 2.7
Supply Voltage (max)5.5 - 5.56 - 66 - 630 - 30
VOUT (min) (V)0.50.80.80.5
VOUT (max) (V)4.15529.5
Pkg. TypeTQFP-EPCFP, DIECFP, DIETSSOP-EP
Lead Count (#)48181816
IOUT (A)±3331
FlowRT PlasticRH HermeticRH HermeticRT Plastic

アプリケーション

  • DDR、DDR2、DDR3、およびDDR4メモリVTT 終端レールおよびバッファ付きVREF リファレンス
  • FPGA、DSP、およびASIC用の低ノイズ電源レール
  • 汎用LDOレール
  • 最大3Aの電流をソースまたはシンクするための2象限電源

適用されたフィルター