特長
- Advanced linear digital modulation scheme
- Auto phase add/drop with PFM mode for excellent load vs efficiency profile
- Dual edge modulation with optional diode braking for faster transient response
- Excellent VOUT transition performance
- Zero latency synthetic current control for excellent high-frequency current balance
- Flexible phase assignment from 0 to 9 phases per output
- Up to 2MHz switching frequency operation for high-density designs
- Differential remote voltage sensing supports ±0.5% closed-loop system accuracy over load, line, and temperature
- Highly accurate current sensing for excellent load-line regulation and accurate OCP
- Supports the full range of Renesas Smart Power Stage (SPS) devices
- Comprehensive fault management enables high-reliability systems
- Pulse-by-pulse (per phase) and total output current limiting
- Black Box status recording capability with first fault indicator
- Intuitive configuration using PowerNavigator software
- SMBus/PMBus v1.3 compatible
- Up to 16 user configurations stored in device Non-Volatile Memory (NVM)
説明
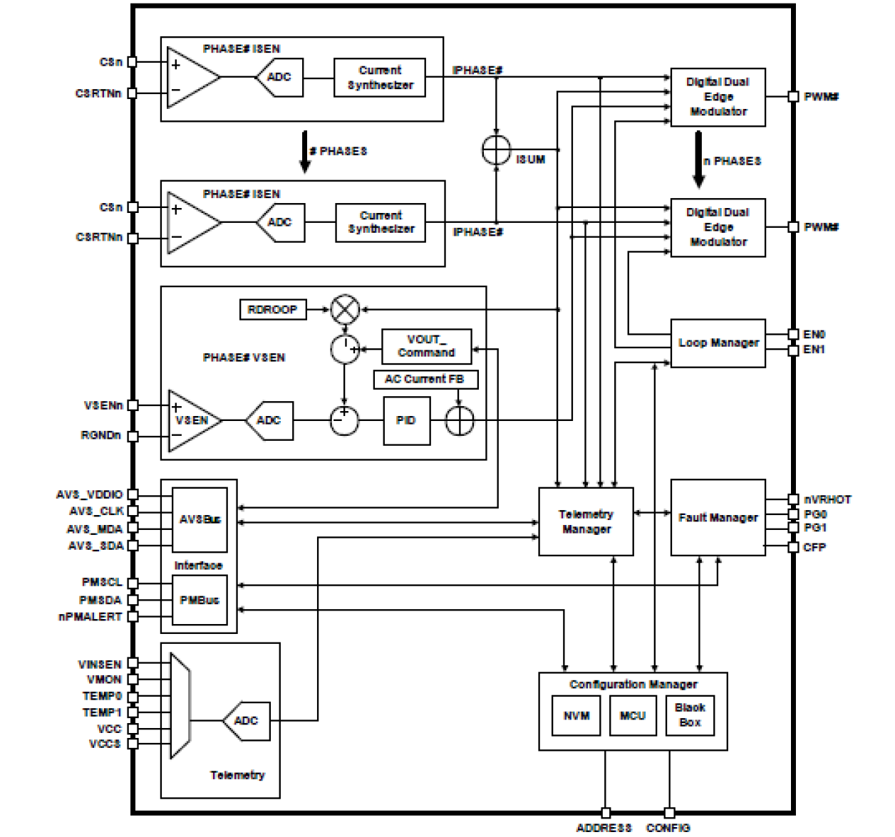
The ISL68236 is a digital dual output multiphase (X+Y ≤ 9) PWM controller supporting PMBus v1.3/AVSBus interfaces. The controller can be configured to support phase assignments up to a maximum of nine phases across the two outputs (X and Y). For example, 8+1, 7+2, 6+3, 5+4, or a single output operation as a 9+0 configuration is supported. Increased power density and PMBus v1.3 interface support allow the device to support any demanding power supply requirement.
Additionally, the ISL68236 with AVSBus complements PMBus by providing a common high-speed interface to accelerate point-to-point communication between the controller and load to statically and dynamically control the processor voltage and deliver a balanced, power-efficient design.
The ISL68236 uses the proprietary Renesas digital synthetic current modulation scheme to achieve the industry-best combination of transient response, ease of tuning, and efficiency across the full load range. Diode emulation and automatic phase add/drop features allow you to extract maximum efficiency from the converter regardless of load conditions. You can use the intuitive PowerNavigator™ software to configure and monitor the device.
With minimal external components, easy configuration, robust fault management, and highly accurate regulation capability, implementing a high-performance, multiphase regulator has never been easier.
パラメータ
属性 | 値 |
---|---|
Outputs (Max) (#) | 2 |
Phases (Max) | 9 |
Input Voltage (Min) (V) | 4.5 |
Input Voltage (Max) (V) | 18 |
Output Voltage (Min) (V) | 0 |
Output Voltage (Max) (V) | 3.05 |
Output Current (Max) [Rail 1] (A) | 810 |
Bias Voltage Range (V) | 3.135 - 3.465 |
Parametric Applications | DDR Memory Solutions, Artificial intelligence/accelerator cards (FPGA, ASIC), Network Equipment, Server/storage equipment, Telecom/datacom equipment, POL Power Supplies (memory, DSP, ASIC, FPGA) |
Qualification Level | Standard |
Temp. Range (°C) | -40 to +85°C |
パッケージオプション
Pkg. Type | Pkg. Dimensions (mm) | Lead Count (#) | Pitch (mm) |
---|---|---|---|
QFN | 6.0 x 6.0 x 0.90 | 52 | 0.4 |
アプリケーション
- DDR memory solutions
- Artificial intelligence/Accelerator cards (FPGA, ASIC)
- Network equipment
- Server/storage equipment
- Telecom/Datacom equipment
- Point of load power supply (memory, DSP, ASIC, FPGA)
適用されたフィルター