メインコンテンツに移動
ルネサス エレクトロニクス株式会社 (Renesas Electronics Corporation)

特長

  • Advanced linear digital modulation scheme
  • Zero latency synthetic current control for excellent HF current balance
  • Dual-edge modulation for fastest transient response
  • Auto phase add/drop for excellent load vs efficiency profile
  • PMBus 1.3 support
  • Telemetry - VIN, VOUT, IOUT, power IN/OUT, temperature, and various fault status registers
  • Up to 2MHz bus interface
  • Flexible phase configuration
  • 7+0, 6+1, 5+2, 4+3 phase operation
  • Operation using fewer than seven phases between two outputs is also supported
  • Diode braking for overshoot reduction
  • Differential remote voltage sensing supports ±0.5% closed loop system accuracy over load, line, and temperature
  • Highly accurate current sensing for excellent load line regulation and accurate OCP
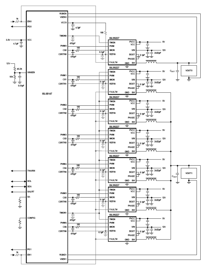
  • Supports the ISL99227 60A smart power stages
  • Supports DCR sense with integrated temperature compensation
  • Supports Phase Doubler (ISL6617A) for up to 14-phase operation
  • Comprehensive fault management enables high reliability systems
  • Pulse-by-pulse phase current limiting
  • Total output current protection
  • Output and input OV/UV
  • Open voltage sense detect
  • Black box recording capability for faults
  • Intuitive configuration using PowerNavigator
  • NVM to store up to 8 configurations
  • Pb-free (RoHS compliant)

説明

The ISL68147 is a digital dual output, flexible multiphase (X+Y ≤ 7) PWM controller developed to support the latest Cavium CN99xx server class processors. The ISL68147 supports the PMbus1. 3 specification and meets the latest Intel server-class transient performance specifications. Either output can be configured to support any desired phase assignments up to a maximum of seven phases across the two outputs (X+Y). For example, 6+1, 5+2, 4+2, 3+3, 3+2, or even a single output operation as a 7+0 configuration. With full digital control, this new generation of controllers ushers in design flexibility by supporting any microprocessor, FPGA, or Digital ASIC rail requirements that includes adjustable load setting. The ISL68147 uses the Intersil proprietary linear synthetic digital current modulation scheme to achieve the industry’s best combination of transient response and ease of tuning while addressing the challenges of modern multiphase designs. Device configuration and telemetry monitoring is accomplished using the Intersil PowerNavigator™ GUI. The ISL68147 device supports on-chip, nonvolatile memory to store various configuration settings that are user-selectable through pin strap, giving system designers increased power density to configure and deploy multiple configurations. The device supports an automatic phase add/drop feature to allow maximum efficiency across all load ranges. Thresholds for automatic phase add/drop are user-programmable using PowerNavigator. The ISL68147 supports a comprehensive fault management system to enable the design of highly reliable systems. From a multitiered overcurrent protection scheme to the configurable power-good and output overvoltage/undervoltage fault thresholds and temperature monitoring, almost any need is accommodated. With minimal external components, easy configuration, robust fault management, and highly accurate regulation capability, implementing a high-performance, multiphase regulator has never been easier.

適用されたフィルター