メインコンテンツに移動
ルネサス エレクトロニクス株式会社 (Renesas Electronics Corporation)

特長

  • 1A MOSFET Gate Driver
  • 100µA Start-up Current
  • Fast Transient Response with Peak Current Mode Control
  • Adjustable Switching Frequency up to 1MHz
  • Low Power Sleep Mode (ISL6722A)
  • Low Power Shutdown Mode
  • Delayed Restart from OV and OC Shutdown Faults
  • Adjustable Slope Compensation
  • Adjustable Soft-Start
  • Adjustable Overcurrent Shutdown Delay
  • Adjustable UV and OV Monitors
  • Leading Edge Blanking
  • 1% Tolerance Voltage Reference
  • Pb-Free Plus Anneal Available (RoHS Compliant)

説明

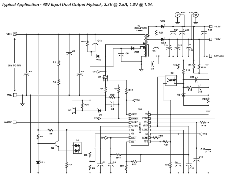
The ISL6722A and the ISL6723A are low power, single-ended pulse width modulating (PWM) current mode controllers designed for a wide range of DC/DC conversion applications including boost, flyback, and isolated output configurations. Similar to, and pin compatible with the ISL6721, the ISL6722A and ISL6723A offer a modified feature set. The ISL6722A replaces external synchronization with a low power SLEEP feature that reduces standby current to under 200µA. The ISL6723A changes the supply voltage UVLO threshold to 13V. Additionally, the internal over temperature protection has been removed in both controllers. Other features remain the same and include a low power mode during overvoltage and overcurrent shutdown faults where the supply current drops to 200µA. An internal 300ms delay timer prevents rapid hiccup behavior when a shutdown fault does occur. This advanced BiCMOS design features low operating current, adjustable operating frequency up to 1MHz, and adjustable soft-start.

アプリケーション

  • Telecom and Datacom Power
  • Wireless Base Station Power
  • File Server Power
  • Industrial Power Systems
  • Isolated Buck and Flyback Regulators
  • Boost Regulators

適用されたフィルター