メインコンテンツに移動
ルネサス エレクトロニクス株式会社 (Renesas Electronics Corporation)

特長

  • Pin-to-pin Compatible with HIP6602 SOIC Family for Better Performance and Extra Protection Features
  • Quad N-Channel MOSFET Drives for Two Synchronous Rectified Bridges
  • Advanced Adaptive Zero Shoot-Through Protection
  • Body Diode Detection
  • Auto-zero of rDS(ON) Conduction Offset Effect
  • Adjustable Gate Voltage (5V to 12V) for Optimal Efficiency
  • Internal Bootstrap Schottky Diode
  • Bootstrap Capacitor Overcharging Prevention
  • Supports High Switching Frequency (up to 1MHz)
  • 3A Sinking Current Capability
  • Fast Rise/Fall Times and Low Propagation Delays
  • Three-State PWM Input for Output Stage Shutdown
  • Three-State PWM Input Hysteresis for Applications With Power Sequencing Requirement
  • Pre-POR Overvoltage +Protection
  • VCC Undervoltage Protection
  • Over-Temperature Protection (OTP) with +42°C Hysteresis
  • Expandable Bottom Copper Pad for Enhanced Heat Sinking
  • QFN Package:
  • Compliant to JEDEC PUB95 MO-220 QFN
  • Quad Flat No Leads
  • Package Outline
  • Near Chip Scale Package Footprint, which Improves PCB Efficiency and has a Thinner Profile
  • Pb-free Available (RoHS compliant)

説明

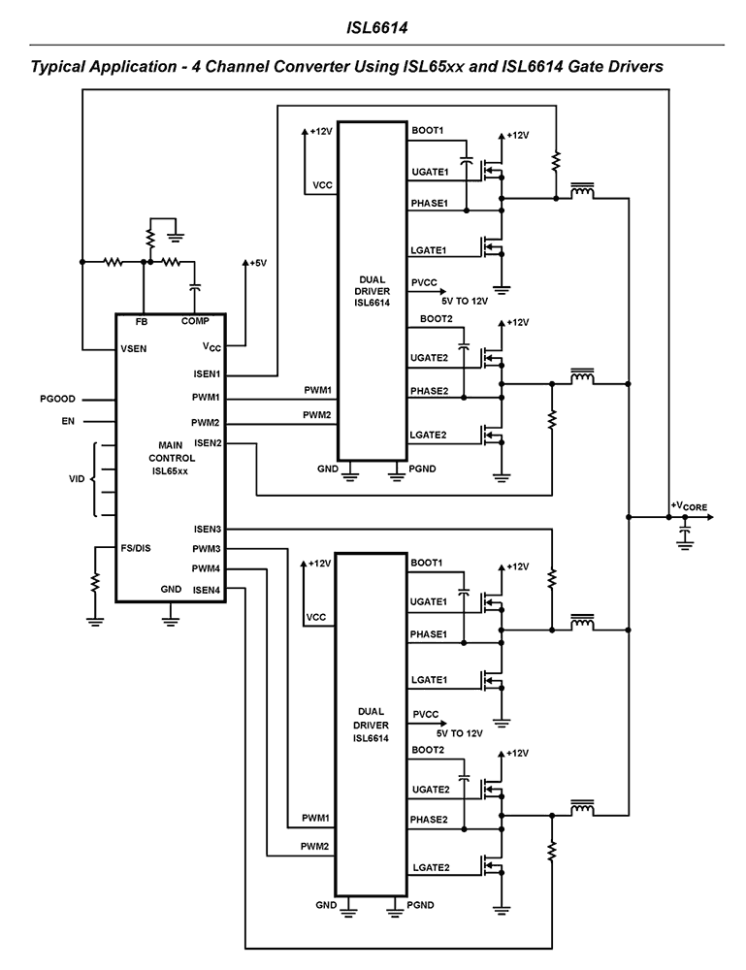
The ISL6614 integrates two ISL6613 MOSFET drivers and is specifically designed to drive two independent power channels in a Multiphase interleaved buck converter topology. These drivers combined with HIP63xx or ISL65xx Multiphase Buck PWM controllers and N-Channel MOSFETs form complete core-voltage regulator solutions for advanced microprocessors. The ISL6614 drives both the upper and lower gates simultaneously over a range from 5V to 12V. This drivevoltage provides the flexibility necessary to optimize applications involving trade-offs between gate charge and conduction losses. An advanced adaptive zero shoot-through protection is integrated to prevent both the upper and lower MOSFETs from conducting simultaneously and to minimize the dead time. These products add an overvoltage protection feature operational before VCC exceeds its turn-on threshold, at which the PHASE node is connected to the gate of the low side MOSFET (LGATE). The output voltage of the converter is then limited by the threshold of the low side MOSFET, which provides some protection to the microprocessor if the upper MOSFET(s) is shorted during startup. The overtemperature protection feature prevents failures resulting from excessive power dissipation by shutting off the outputs when its junction temperature exceeds 150°C (typically). The driver resets once its junction temperature returns to 108°C (typically). The ISL6614 also features a three-state PWM input which, working together with Intersil's Multiphase PWM controllers, prevents a negative transient on the output voltage when the output is shut down. This feature eliminates the Schottky diode that is used in some systems for protecting the load from reversed output voltage events.

アプリケーション

  • Core Regulators for Intel® and AMD® Microprocessors
  • High Current DC-DC Converters
  • High Frequency and High Efficiency VRM and VRD Related Literature
  • Technical Brief TB363 "Guidelines for Handling and Processing Moisture Sensitive Surface Mount Devices (SMDs)"
  • Technical Brief 400 and 417 for Power Train Design,Layout Guidelines, and Feedback Compensation Design

適用されたフィルター