メインコンテンツに移動
ルネサス エレクトロニクス株式会社 (Renesas Electronics Corporation)

特長

  • Compatible with all Conventional Controllers Having a Serial Port, with Some Programming
  • Programmable Snubber on all Outputs
  • Compatible with Future Controllers Having Gray Coded WEN Lines for Glitchless High-Speed Operation
  • WEN Line Skew Detection
  • 1000mA Maximum Total Output
  • 10-bit x 10-bit Multiplying DAC Output Provides 10-bit Full Scale Adjustment and 10-bit Resolution at any Full Scale Output
  • Three Laser Outputs Allow Read/Write DVD, CD, and Blue Combinations
  • Analog Inputs Supports Read APC
  • HFM Oscillator Programmable to 100mAP-P and Range from 100MHz to >1GHz
  • Programmable HFM On, Off and Cooling Levels
  • Programmable Spread Spectrum for Low EMI
  • Built-in ADC to Sample Laser Voltage Allows Power Reduction by Optimizing Headroom
  • Built-in Thermal Sensor Aids in Thermal Design
  • Serial Input Works up to 50MHz
  • Pb-Free (RoHS Compliant)

説明

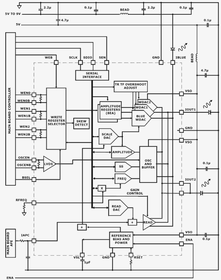
The ISL58781 is a highly integrated laser diode driver designed to support multi-standard writable optical drives in CD, DVD, and Blu-Ray at various speeds. It is a ‘hybrid’ part having an interface compatible with a conventional LDD, but an internal architecture similar to a write strategy LDD. This combination adds versatility to the conventional interface. The rise and fall times and overshoot of the blue output are adjustable to compensate for high and low resistance lasers. There are two banks of write currents with a bank select line, BSEL. This eliminates the need to synchronize the serial port to the media. The oscillator can be controlled by external LVDS lines, or internally activated through program assignment to any WEN state. The WEN lines have internal 100Ω terminators. There is a skew detector on the WEN receiver outputs. The ISL58781 requires a single 5V supply.

アプリケーション

  • Combination DVD, CD, and Blue Writable Drives
  • BD Camcorders
  • BD Video Recorders

適用されたフィルター