メインコンテンツに移動
ルネサス エレクトロニクス株式会社 (Renesas Electronics Corporation)

特長

  • 34µA typical supply current
  • 10pA typical input bias current
  • 200kHz gain bandwidth product
  • 2.4V to 5.5V single supply voltage range
  • Rail-to-rail input and output
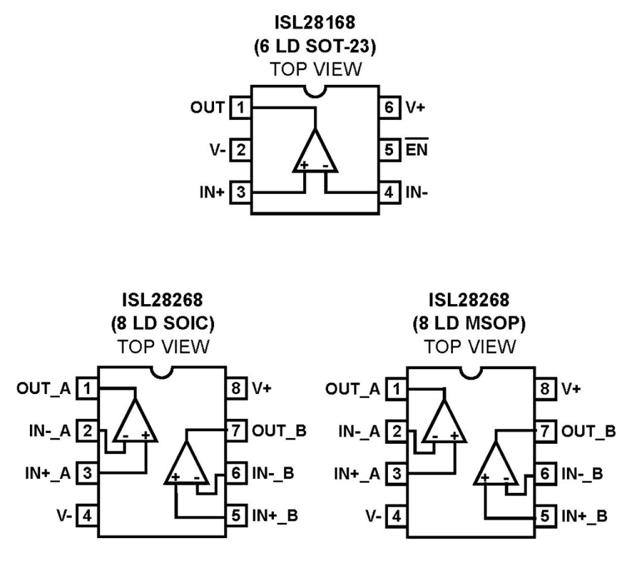
  • Enable pin (ISL28168 only)
  • Pb-free (RoHS compliant)

説明

Support is limited to customers who have already adopted these products.

The ISL28168 and ISL28268 are micro-power operational amplifiers optimized for single supply operation over a power supply range of 2. 4VDC to 5. 5VDC. These devices draw minimal supply current and operate rail-to-rail at the input and output, while providing excellent DC-accuracy, noise and output drive specifications. Competing devices seriously degrade these parameters to achieve micro-power supply current. The parts feature an Input Range Enhancement Circuit (IREC), which enables them to maintain CMRR performance for input voltages greater than the positive supply. The input signal is capable of swinging 0. 25V above the positive supply and to 100mV below the negative supply with only a slight degradation of the CMRR performance. The output operation is rail-to-rail. The 1/f corner of the voltage noise spectrum is at 100Hz. This results in low frequency noise performance, which can only be found on devices with an order of magnitude higher supply current. ISL28168 and ISL28268 can be operated from one lithium cell or two Ni-Cd batteries. The ISL28168 contains an enable pin feature that allows the device to be shutdown when not in use.

アプリケーション

  • Battery- or solar-powered systems
  • 4mA to 20mA current loops
  • Handheld consumer products
  • Medical devices
  • Sensor amplifiers
  • ADC buffers
  • DAC output amplifiers

適用されたフィルター