メインコンテンツに移動
ルネサス エレクトロニクス株式会社 (Renesas Electronics Corporation)

特長

  • 150MHz -3dB bandwidth
  • CAT-5 compensation
  • 75MHz @ 1000ft
  • 125MHz @ 500ft
  • 33mA supply current
  • Differential input range 3.2V
  • Common mode input range ±4.5V
  • ±5V supply
  • Output to within 1.5V of supplies
  • Available in 16 Ld QSOP package
  • Pb-free available (RoHS compliant)

説明

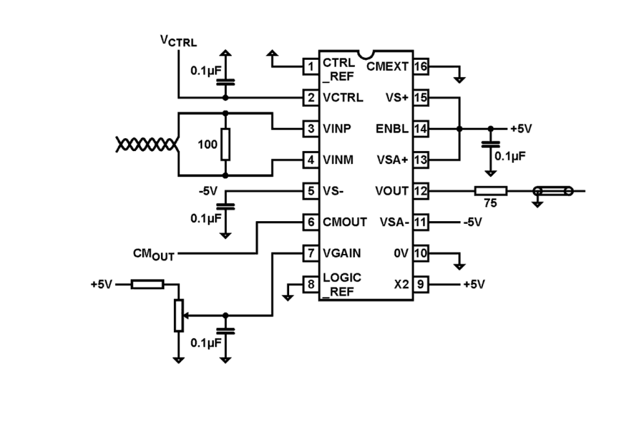
The EL9110 is a single channel differential receiver and equalizer. It contains a High-Speed differential receiver with 5 programmable poles. The outputs of these pole blocks are then summed into an output buffer. The equalization length is set with the voltage on a single pin. The EL9110 also contains a three-statable output, enabling multiple devices to be connected in parallel and used in a multiplexing application. The gain can be adjusted up or down by 6dB using the VGAIN control signal. In addition, a further 6dB of gain can be switched in to provide a matched drive into a cable. The EL9110 has a bandwidth of 150MHz and consumes just 33mA on ±5V supply. A single input voltage is used to set the compensation levels for the required length of cable. The EL9110 is available in the 16 Ld QSOP package and is specified for operation over the full -40°C to +85°C temperature range.

アプリケーション

  • Twisted-pair receiving/equalizer
  • KVM (Keyboard/Video/Mouse)
  • VGA over twisted-pair
  • Security video

適用されたフィルター