メインコンテンツに移動
ルネサス エレクトロニクス株式会社 (Renesas Electronics Corporation)

特長

  • Integrated MOSFETs
  • 4A continuous output current
  • Up to 96% efficiency
  • All ceramic capacitors
  • Multiple supply start-up tracking
  • Built-in ±5% voltage margining
  • 3V to 6V input voltage
  • 0.58in2 footprint with components on one side of PCB
  • Adjustable switching frequency to 1MHz
  • Oscillator synchronization possible
  • 100% duty ratio
  • Junction temperature indicator
  • Over-temperature protection
  • Internal soft-start
  • Variable output voltage down to 0.8V
  • Power-good indicator
  • 28 Ld HTSSOP package
  • Pb-free available (RoHS compliant)

説明

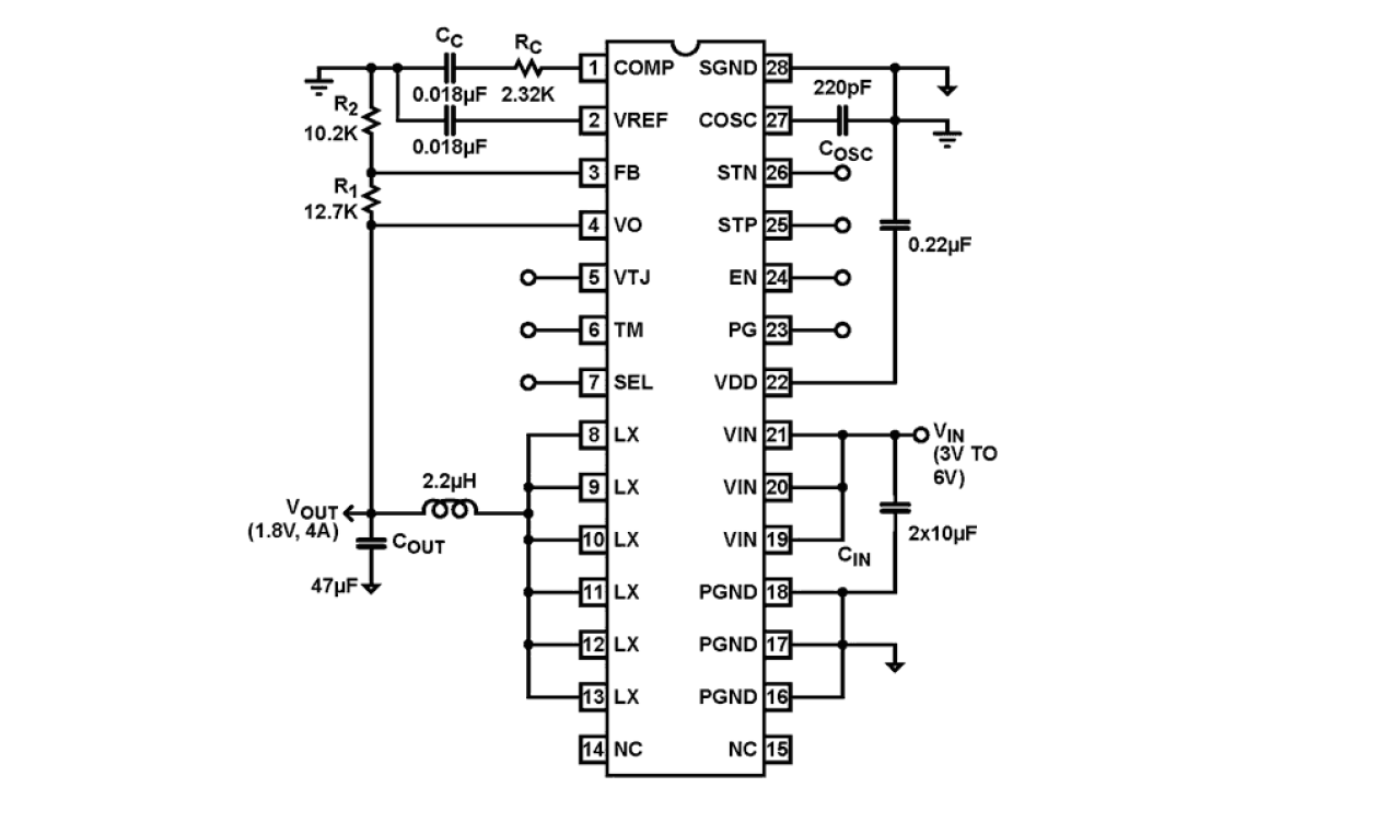
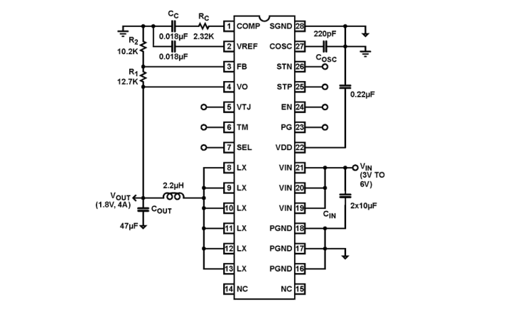
The EL7554 is a full-feature synchronous 4A step-down regulator capable of up to 96% efficiency. This device operates from 3V to 6V VIN input supply. With internal CMOS power FETs, the device can operate at up to 100% duty ratio, allowing for output voltage range from 0.8V up to nearly VIN. The adjustable high switching frequency of up to 1MHz enables the use of small components, making the whole converter occupy less than 0.58 square inch with components on one side of the PCB. The EL7554 operates at constant frequency PWM mode, making external synchronization possible. The EL7554 features soft-start and full start-up control, which eliminates the in-rush current and enables users to control the start-up of multiple converters to any configuration with ease. The EL7554 also offers a ±5% voltage margining capability that allows raising and lowering of the supplies derived from the EL7554 to validate the performance and reliability of system cards quickly and easily during manufacturing testing. A junction temperature indicator conveniently monitors the silicon die temperature, saving designers time in the tedious thermal characterization. An easy-to-use simulation tool is available for download and can be used to modify design parameters such as switching frequency, voltage ripple, ambient temperature, as well as view schematics waveforms, efficiency graphs, and complete BOM with Gerber layout. The EL7554 is available in a 28 Ld HTSSOP package and is specified for operation over the -40°C to +85°C temperature range.

アプリケーション

  • Point-of-regulation power supplies
  • FPGA Core and I/O supplies
  • DSP, CPU Core, and IO supplies
  • Logic/Bus supplies
  • Portable equipment

適用されたフィルター