メインコンテンツに移動
ルネサス エレクトロニクス株式会社 (Renesas Electronics Corporation)

特長

  • Active noise cancellation
    • Support hybrid, feedforward, and feedback topologies
    • 40dB cancellation at 200Hz
    • 5.2µs microphone input to headphone output latency through fast equalization (FEQ)
    • 25µs microphone input to headphone output latency through DSP
    • Automated calibration and tuning tools
  • Power management
    • 6.9mW stereo music playback quiescent power consumption
    • 18mW stereo hybrid ANC playback power consumption at 0.1mW
  • Digital audio interfaces
    • Up to 32-bit 384kHz sample rate support
    • Three stereo pulse density modulation (PDM) inputs for digital microphones and/or low latency connection from host processors
  • Stereo differential headphone path
    • 115dB dynamic range
    • Output power 2 x 30mW into 32Ω
  • Input paths
    • Four single-ended or two differential microphone/line-inputs
    • 110dB dynamic range
    • Integrated dual low-noise microphone bias
  • Pop-free startup and shutdown
  • Digital signal processor
    • Dual 98MHz DSPs
    • 192kHz, low delay active noise canceller (ANC) DSP
    • Dedicated 6MHz fast equalization path
    • 48kHz/192kHz, music and voice DSPs
    • Fully flexible digital mixing with independent gains
  • Bypassable asynchronous sample rate converters
  • Clocking
    • Fract-N phase-locked loop
    • Sample rate tracking
    • Internal oscillator
    • MCLK free operation
  • 2-wire I2C-compatible control interface
  • Temperature range -40 °C to +85 °C
  • 32-ball 3.42mm x 1.77mm 0.4mm pitch WLCSP

説明

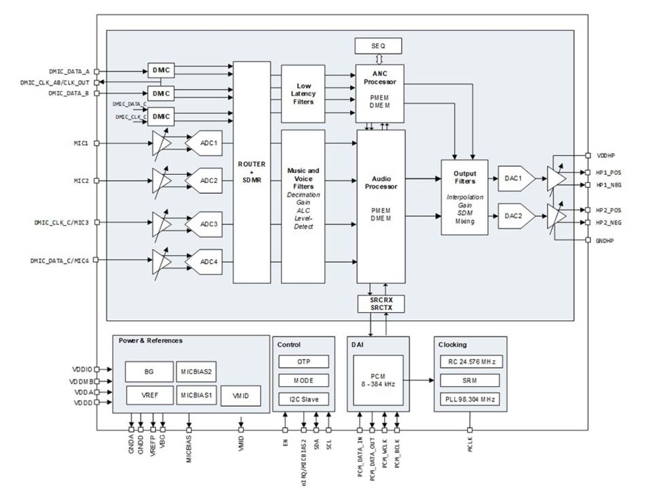
Renesas DA741x family is a high-performance, ultra-low power Hi-Fi codec with hybrid active noise cancellation (ANC) for hearables, and USB-C™ and Bluetooth® headphone, headset and hearable applications.

With high-performance playback and record paths, the DA741x family is designed for high dynamic range and minimum latency. Two integrated, individually operatable, digital signal processors are provided. The first, running at 192kHz, is dedicated to noise cancellation applications while the second, running at 48kHz or 192kHz, can perform music and voice processing such as equalization, limiting, mixing, beamforming, and gain control. A dedicated fast equalization (FEQ) path, operating at the digital microphone (DMIC) clock rate, delivers improved high-frequency noise cancellation with ultra-low latency. The device supports four ADCs which enables the use of up to four analog microphones (AMIC) or six digital microphones (DMIC).

The DA741x is a family of high-performance, ultra-low-power, Hi-Fi codecs for USB-C and Bluetooth headphone (HP), headset, or hearable applications. The family consists of two devices. The DA7414 supports stereo output and the DA7413 supports mono output. Both devices share the same driver and compatible with each other.

パラメータ

属性
ADC SNR A-weighted support(dB) @ 48kHz95 @ 1.8V
DAC SNR A-weighted support(dB) @ 48kHz115 @ 1.8V
Power Consumption During Record2.9mW @ 1.8V
Power Consumption During Playback6.9mW @ 1.8V
Headphone Power Output2 x 30mW into 32Ω @ 1.8V
Audio Interface4-wire
Advanced FeaturesHybrid Active Noise Cancellation, Audio Processing Unit

パッケージオプション

Pkg. TypePkg. Dimensions (mm)Pitch (mm)
32-WLCSP3.42 x 1.770.4

アプリケーション・ブロック図

Interactive block diagram of the WXGA single display HMI platform features RGB and MIPI video outputs with 2D graphics, powered by an Arm Cortex-M85 MCU.
ハイエンドの機能豊富なHMIプラットフォーム
ディスプレイ解像度、オーディオ、スピーカなどの豊富な機能をサポートする柔軟なHMIプラットフォーム。

その他アプリケーション

  • Wireless (Bluetooth) over- and on-ear headphones
  • Wired (USB-C) over- and on-ear headphones
  • Wired/Wireless microphones

適用されたフィルター