特長
- Dual differential outputs
- Output frequency range: 34.375MHz to 4400MHz (continuous range)
- RF output divided by 1, 2, 4, 8, 16, 32, 64
- Open drain outputs
- Fractional-N synthesizer (also supports Integer-N mode)
- 16-bit Integer and 12-bit fractional (16-bit fractional when using the extended registers)
- 3- or 4-wire SPI interface (compatible with 3.3V and 1.8V)
- Single 3.3V supply
- Logic compatibility: 1.8V
- Integrated high-performance low dropout regulators (LDOs) for excellent power supply noise rejection
- Programmable output power level: -4dBm to +7dBm
- Mute function
- Ultra-low PN for 1.1GHz LO: -143dBc/Hz at 1MHz offset (typical)
- Lock detect indicators
- Input reference frequency: 5MHz to 310MHz
- Power consumption: 380mW (typical) (RF_OUTB disabled)
- 5mm × 5mm 32-VFQFN package
- Automatic VCO band selection (Autocal feature)
- -40 °C to +85 °C ambient operating temperature
- Supports case temperature ≤ 105 °C operations
- Supported by the Timing Commander software tool
説明
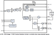
The 8V97051L is a high-performance wideband RF synthesizer/PLL optimized for use as the local oscillator (LO) in multi-carrier, multi-mode FDD and TDD base station radio cards. This device is offered in a compact 5mm × 5mm 32-VFQFN package.
The 8V97051L wideband RF synthesizer/PLL offers a default fractional mode with the option to use it with an Integer mode. It requires an external loop filter.
The 8V97051L with integrated voltage-controlled oscillator (VCO) supports output frequencies from 34.375MHz to 4400MHz and maintains superior phase noise and spurious performance.
RF_OUT[A:B] output drivers have independently programmable output power ranging from –4dBm to +7dBm. The RF_OUT outputs can be muted. The mute function is accessible via an SPI command or mute pin.
Renesas’ RF Synthesizer family also includes the 8V97053L wideband RF synthesizer/PLL with integrated VCO that offers enhanced phase noise specifications geared to GSM and Band 42 radio card applications.
パラメータ
| 属性 | 値 |
|---|---|
| Output Freq Range (MHz) | 34.375 - 4400 |
| Power Consumption Typ (mW) | 380 |
| Supply Voltage (V) | 3.3 - 3.3 |
| Package Area (mm²) | 25 |
| Battery Backup | No |
| Battery Seal | No |
| CPU Supervisory Function POR | No |
| Crystal Frequency Trimming | No |
| Frequency Out Pin | No |
| Inputs (#) | 1 |
| Input Freq (MHz) | 5 - 310 |
| Synthesis Mode | Integer, Fractional |
| 105°C Max. Case Temp. | 1 |
| Function | Wideband RF synthesizer w/integrated VCO |
| Grade | GSM900 |
| Output Power Range (dBm) | -4 - 7 |
| Product Category | RF Synthesizer, Ultra-Low Jitter Clocks (<300 fs RMS) |
パッケージオプション
| Pkg. Type | Pkg. Dimensions (mm) | Lead Count (#) | Pitch (mm) |
|---|---|---|---|
| VFQFPN | 5.0 x 5.0 x 0.9 | 32 | 0.5 |
アプリケーション
- Wireless infrastructure
- Test equipment
- CATV equipment
- Military and aerospace
- Wireless LAN
- Clock generation
適用されたフィルター