メインコンテンツに移動
ルネサス エレクトロニクス株式会社 (Renesas Electronics Corporation)

特長

  • Fully integrated PLL, no external loop filter requirements
  • One differential 3.3V LVPECL output
  • Parallel resonant crystal oscillator interface
  • Output frequency range: 31.25MHz to 700MHz
  • VCO range: 250MHz to 700MHz
  • Parallel interface for programming counter and output dividers during power-up
  • Serial 3 wire interface
  • RMS Period jitter: 5.5ps (maximum)
  • Cycle-to-cycle jitter: 35ps (maximum)
  • 3.3V supply voltage
  • 0°C to 70°C ambient operating temperature
  • Available in lead-free RoHS compliant package

説明

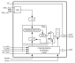
The 84329B is a general purpose, single output high frequency synthesizer and a member of the  family of High Performance Clock Solutions from IDT. The VCO operates at a frequency range of 250MHz to 700MHz. The VCO frequency is programmed in steps equal to the value of the crystal frequency divided by 16. The VCO and output frequency can be programmed using the serial or parallel interfaces to the configuration logic. The output can be configured to divide the VCO frequency by 1, 2, 4, and 8. Output frequency steps as small as 125kHz to 1MHz can be achieved using a 16MHz crystal depending on the output dividers.

適用されたフィルター