適用されたフィルター
評価ボードおよびキット
82EBP33831 アクティブ
Evaluation Board for 82P33831 Synchronization Management Unit for IEEE 1588 and 10G/40G Synchronous Ethernet
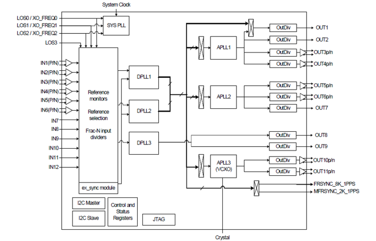
The 82EBP33831 Evaluation board for IEEE 1588 and Synchronous Ethernet (SyncE) allows the user to connect up to eight differential-ended, up to eight single-ended, and up to two Composite (AMI) reference inputs via SMA connectors. The inputs can operate at any frequency from 1PPS to 650MHz.... 続きを読む
