メインコンテンツに移動
2K x 36 x 2 Triple-Bus FIFO, 5.0V

パッケージ情報

CADモデル: View CAD Model
Pkg. Type: TQFP
Pkg. Code: PK128
Lead Count (#): 128
Pkg. Dimensions (mm): 20.0 x 14.0 x 1.4
Pitch (mm): 0.5

環境及び輸出分類情報

Pb (Lead) Free No
Moisture Sensitivity Level (MSL) 3
ECCN (US)
HTS (US)

製品スペック

Lead Count (#) 128
Pb (Lead) Free No
Carrier Type Reel
Architecture Bi-directional
Bus Width (bits) 36
Core Voltage (V) 5
Density (Kb) 144
Family Name Triple-Bus FIFO
Function Bus Matching
I/O Frequency (MHz) 66 - 66
I/O Type 5.0 V TTL
Interface Synchronous
Length (mm) 20
MOQ 1000
Moisture Sensitivity Level (MSL) 3
Organization 2K x 36 x 2
Package Area (mm²) 280
Pb Free Category e0
Pitch (mm) 0.5
Pkg. Dimensions (mm) 20.0 x 14.0 x 1.4
Pkg. Type TQFP
Qty. per Carrier (#) 0
Qty. per Reel (#) 1000
Reel Size (in) 13
Requires Terms and Conditions Does not require acceptance of Terms and Conditions
Tape & Reel Yes
Temp. Range (°C) 0 to 70°C
Thickness (mm) 1.4
Width (mm) 14
掲載 No

説明

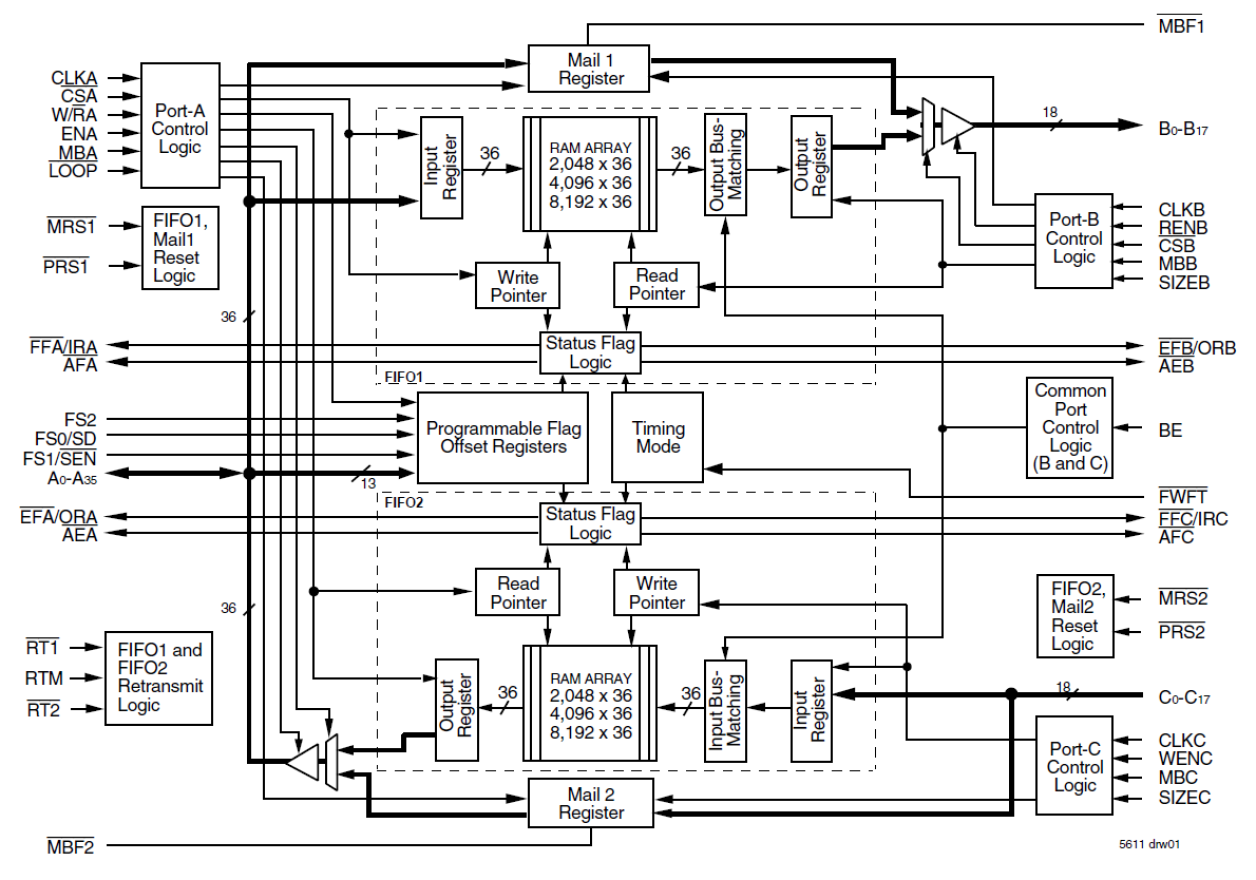
The 723656 is a 2K x 36 x 2 Triple Bus sync FIFO memory has two independent dual-port SRAM FIFOs on board each chip that can buffer data between a bidirectional 36-bit bus and two unidirectional 18-bit buses. FIFO data can be read and written using either 18-bit or 9-bit formats with a choice of Big- or Little-Endian configurations. Communication between each port may bypass the FIFOs via two mailbox registers. This device can operate in the IDT Standard mode or the first word fall through mode.