メインコンテンツに移動

特長

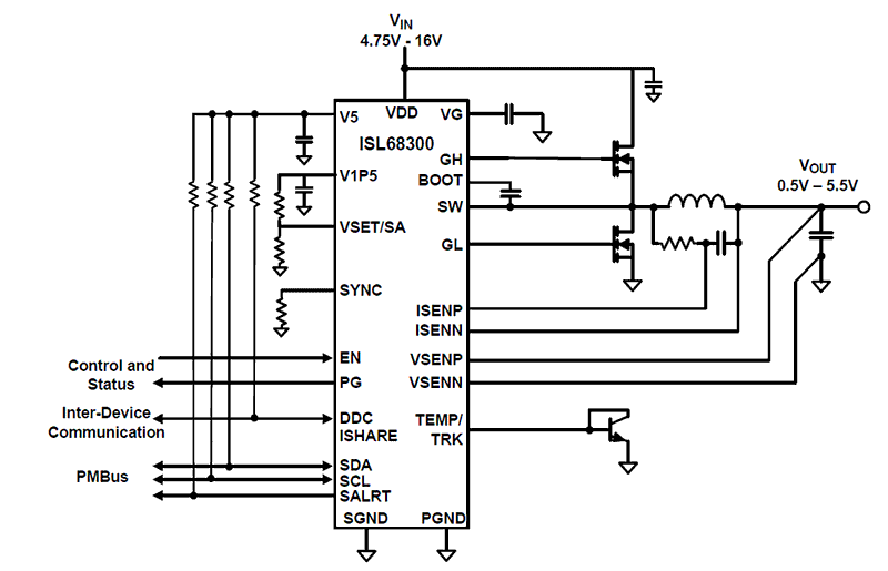
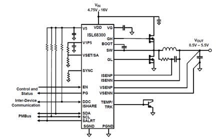
  • Unique compensation-free design, which is always stable
  • Output voltage range: 0.45V to 5.5V
  • Input voltage range: 4.75V to 16V or 4.5V to 5.5V
  • 0.5% output voltage accuracy over line, load, and temperature
  • ChargeMode control achieves fast transient response, reduced output capacitance, and provides output stability without compensation
  • Single-channel output, can be paralleled with up to eight devices in a single droop-less current sharing output
  • Switching frequency range of 200kHz to 1.0MHz
  • Proprietary single-wire DDC serial bus enables voltage sequencing and fault spreading with other Renesas digital power ICs
  • Cycle-by-cycle inductor peak current protection
  • Digital fault protection for output voltage UV/OV, input voltage UV/OV, and temperature
  • Cycle-by-cycle output current measurement with adjustable gain settings for sensing with high current, low DCR inductors
  • Monitor ADC measures input voltage, input current, output voltage, internal temperature, and external temperature
  • Nonvolatile memory (NVRAM) for storing operating parameters and fault events
  • PMBus compliant, supports 112 PMBus commands

説明

This device is no longer supported and is not recommended for new designs.

The ISL68300 with integrated MOSFET drivers and ISL68301 with PWM output simplify designing power supplies for data center, wired and wireless communications, and factory automation equipment. The ISL68300 can drive discrete external MOSFETs directly, while the ISL68301 pairs with Renesas’ smart power stages or DrMOS power stages to create a complete voltage regulator solution.

適用されたフィルター