Skip to main content
Renesas Electronics Corporation

Features

  • Maximum Frequency 500 MHz
  • Differential LVPECL Inputs
  • LVPECL Operating Range: VCC = 3.0 V to 3.6 V
  • Additive Phase Jitter, RMS: 0.18ps (typical)
  • 24 mA LVTTL Compatible Outputs
  • 8-Lead SOIC Package
  • Ambient Temperature Range: –40°C to +85°C
  • 8-Lead Pb-Free Package Available

Description

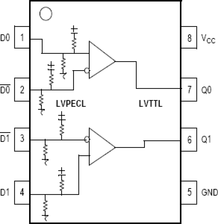
The MC100ES60T23 is a dual differential LVPECL-to-LVTTL translator. The low voltage PECL levels, small package, and dual gate design is ideal for clock translation applications.

Applied Filters: